Система пожаротушения Водный латунный соленоидный клапан с ручным переключением 2' 24V 220V
Это латунный электродинамический клапан с ручным переключением, который может оставаться открытым, когда отключено питание, широко используется в системе пожаротушения, от 3/4 "до 2" женского размера резьбового порта;Размер отверстия от 20 до 50 мм; 2 пути обычно закрыты; диафрагма пилотный работающий; 0,5 до 16 бар рабочее давление; стандартный NBR диафрагмы, может быть настроена как EPDM или FKM диафрагмы; различные напряжения по вашему выбору, такие как 12VDC,24VDC, 24VAC, 110VAC и 220VAC и т.д.
Технические данные:

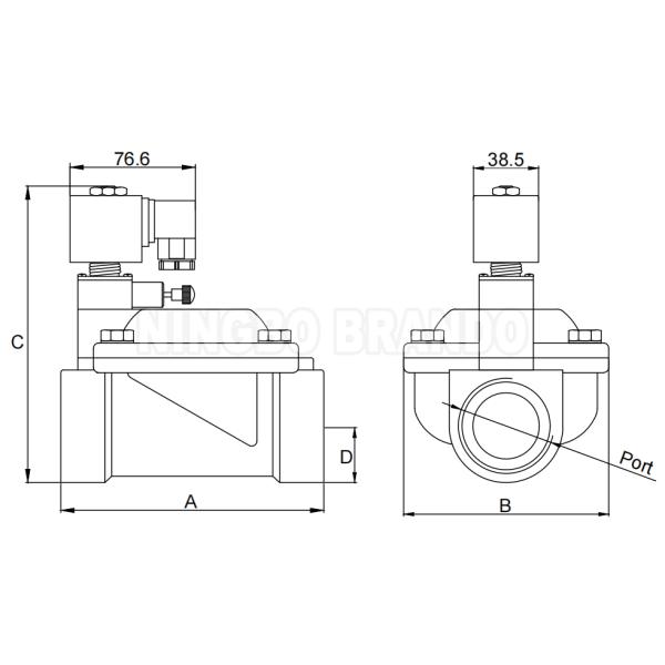
Главное измерение:

НашПроизводство:

Часто задаваемые вопросы
Вопрос первый:Для чего используется соленоидный клапан?
Ответ 1: Соленоидный клапан используется для открытия, закрытия, смешивания или отвода средств массовой информации в приложении.
приложения.
Вопрос второй:Как узнать, что у вас поврежден электродинамический клапан?
Ответ 2: Если соленоидный клапан не может открыться или закрыться, частично открыт, издает шум или имеет сгоревшую катушку соленоида, необходимо устранить неполадки соленоидов клапана.
Вопрос третий:Как выбрать электромоторный клапан?
Ответ 3: При выборе соленоидного клапана важно знать свои средства массовой информации. В зависимости от средств массовой информации и требования к потоку, выберите материал, размер порта, размер отверстия, температуру, давление,напряжение, время ответа и сертификация, необходимые для вашего заявления.
Больше клапанов для системы пожаротушения:
|  |  |  |  | 
Сосредоточьтесь на ваших требованиях, предложим вам лучшее решениеВторой вариант:
√ Свяжитесь с нами, если у вас есть сомнения
√ Свяжитесь с нами, если вам нужно что-то изменить
√ Свяжитесь с нами, если не тот, кого вы ищете
√ Свяжитесь с нами, если вы занимаетесь проектированием
Добро пожаловать на любые вопросы и запросы!