1/8" тип ДК НПТ РКА3Д2 Гоен АК 50/60Хз 24В 12В клапана соленоида 200/240В 100/120В
Клапаны реактивного сопла ИМПа ульс серии КА & РКА:
1. продетый нитку клапан реактивного сопла ИМПа ульс: КА15Т, КА20Т, КА25Т, КА35Т, КА45Т, КА50Т, КА62Т, КА76Т
2. Клапан реактивного сопла ИМПа ульс гайки дрессера: КА25ДД, РКА25ДД, КА45ДД
3. Клапан реактивного сопла ИМПа ульс погружения: КА50ММ, КА62ММ, КА76ММ, КА89ММ
4. Служить фланцем клапан реактивного сопла ИМПа ульс: КАК25ФС, КАК45ФС
5. клапан реактивного сопла ИМПа ульс Ремоте пилотный: РКА3Д2 (РКА3Д2-Т-КТ/1392Б, РКА3Д2-Т-КТ/1004Б, РКА3Д2-Т-КТ/764Б, РКА3Д2-Т-КТ/1295Б), РКА25ДД, РКА45Т, РКА50Т
Технические данные клапана реактивного сопла ИМПа ульс серии РКА3Д2:
Список всех клапанов реактивного сопла ИМПа ульс серии КА:
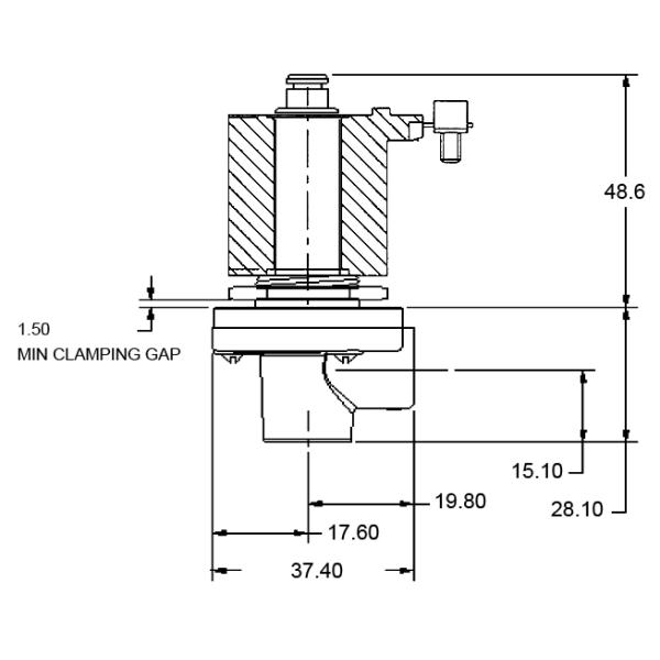
Основной размер клапана реактивного сопла ИМПа ульс РКА3Д2:

Характеристики продукта:
 1. готова к использованию в любом дизайне сборника пыли
 * для управления вредного вещества и экологического управления пыли
2. Стоимости сбережений
 * увеличенная эффективность ИМПа ульс, уменьшенное энергопотребление
 * прочные материалы и широкий диапазон температур увеличивают продолжительность жизни
 * более длинная жизнь фильтра, более низкий сборник пыли ОПЭС
3. Соответствие
 * с экологическим и здоровьем & правилами безопасности
4. Легкость установки
 * отсутствие заварки требуемой с соединениями 90° сразу на скваретанкс
Поставка Брандо:
 



Клапан реактивного сопла ИМПа ульс клапана реактивного сопла 353 ИМПа ульс клапана реактивного сопла КА/РКА ИМПа ульс БФЭК другой клапан реактивного сопла ИМПа ульс
  



Собрание Арматуре клапана соленоида катушки клапана соленоида комплекта для ремонта диафрагмы регулятора ИМПа ульс
Фокус на ваших требованиях, предлагает вам самое лучшее решение:
√ свяжется мы если некоторые пункты вы имеют сомнение
 √ свяжется мы если где-то потребность изменить
 √ свяжется мы если не одно, то вы ищете
 √ свяжется мы если вы делаете конструировать
Добро пожаловать к вашим любым проблеме и дознанию!