Тип 1079/11A6 1 Castel клапан соленоида 3/8 дюймов в цикле рефрижерации
Когда вам нужно заменить клапан соленоида рефрижерации, BRANDO носит правое одно для вашей системы, плюс катушка соленоида для того чтобы соответствовать. Отрегулируйте ваш хладоагент с термостатическим клапаном расширения, и положите в фильтр-сушильщика для того чтобы держать его в хорошем состоянии. Клапаны соленоида рефрижерации можно использовать со всеми хладоагентами CFC, HFC и HCFC но нет для пользы с амиаком.
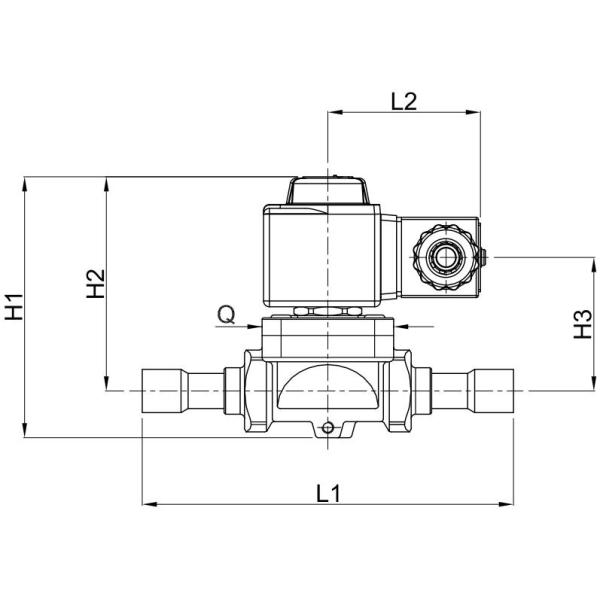
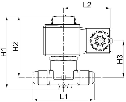
Показанное тип castel 1079/11 клапанов соленоида, 1 3/8" размер порта припоя ODS, 2 путь нормально закрывал, 220/230VAC (50/60Hz), напряжения тока 240VAC (другие напряжения тока можно подгонять), приказывая код: 1079/11, 1079/11S, 1079/11A6, 1079/11A7.
Размер & данные типа клапана Castel соленоида:

| Модель | Соединение | Размер | Тип катушки | |||
| SAE (пирофакел), ODF (припой) | H1 | H2 | L1 | Q | HM2 HM3 | |
| 1020/2 | 1/4" SAE | 75 | 62,5 | 58 | - | |
| 1020/3 | 3/8" SAE | 65 | ||||
| 1028/2 | 1/4" ODF | 32,5 | 125 | |||
| 1028/3 | 3/8" ODF | 62,5 | 125 | |||
| 1064/3 | 3/8" SAE | 82 | 69,5 | 68 | ||
| 1064/4 | 1/2» SAE | 72 | ||||
| 1068/3 | 3/8" ODF | 111 | ||||
| 1068/4 | 1/2» ODF | 127 | ||||
| 1070/4 | 1/2» ODF | 91 | 75,0 | 100 | 45 | |
| 1070/5 | 5/8" ODF | 106 | ||||
| 1078/4 | 1/2» ODF | 127 | ||||
| 1078/5 | 5/8" ODF | 173 | ||||
| 1078/9 | 1 1/8" ODF | 115 | 96,0 | 250 | 80 | |
| 1078/11 | 1 3/8" ODF | 172 | 138,0 | 278 | 68 | |
| 1090/5 | 5/8" SAE | 106 | 78,0 | 120 | 57 | |
| 1090/6 | 3/4" SAE | 106 | 78,0 | 124 | 57 | |
| 1079/7 | 7/8" ODF | 91 | 75,0 | 190 | 45 | |
| 1079/11 | 1 3/8" ODF | 115 | 96,0 | 292 | 80 | |
| 1079/13 | 1 5/8" ODF | 172 | 138,0 | 278 | 68 | |
| 1098/7 | 7/8" ODF | 106 | 78,0 | 180 | 57 | |
| 1099/9 | 1 1/8" ODF | 106 | 78,0 | 216 | 57 | |
| 1099/11 | 1 3/8" ODF | 157 | 127,0 | 291 | 68 | |
Видео продукта 1079/11 типов клапана Castel соленоида:
Больше клапана рефрижерации для вас, который нужно выбрать:



Тип клапан Danfoss соленоида Клапан рефрижерации амиака Тип клапан Castel соленоида



Катушка клапана соленоида рефрижерации Клапан расширения Клапан соленоида холодильника
Фокус на ваших требованиях, предложение вы самое лучшее решение:
√ свяжется мы если некоторые пункты вы имеют сомнение
√ свяжется мы если где-то нужно изменить
√ свяжется мы если не одно, то вы ищете
√ свяжется мы если вы делаете конструировать
Добро пожаловать к вашим любым вопросу и дознанию!