Тип клапан реактивного сопла CAC25FS Goyen ИМПа ульс FS служить фланцем серией для сборника пыли
Клапаны реактивного сопла ИМПа ульс FS служить фланцем серией предлагают самый лучший вариант когда вы используете квадратные танки и предпочитаете бесстыковые соединения фланца. Эти мембранные клапаны конструированы для сборников пыли и baghouses в которые обратные системы двигателя ИМПа ульс очищают фильтры. Клапаны ИМПа ульс диафрагмы самые важные компоненты системы чистки двигателя ИМПа ульс baghouse. На клапанах ИМПа ульс baghouse двигателя ИМПа ульс (также вызвал мембранные клапаны) контролируйте отпуск ИМПов ульс воздуха во время очищая цикла. Когда контрольная панель baghouse или доска таймера начинают очищая цикл оно отправляет электрический сигнал в соленоиды, когда после этого активируйте клапан ИМПа ульс. Внутри клапана ИМПа ульс, резиновая диафрагма раскрывает и закрывает для того чтобы выпустить обжатый воздух, который хранят в танке заголовка воздуха. Воздух после этого проходит через клапан в трубки для сдувания над фильтрами и после этого направлены, что вниз в фильтры очищает их.
Технические данные клапанов реактивного сопла ИМПа ульс серии FS:
|
Номер модели
|
CAC25FS
|
CA45FS
|
|
Гаван размер
|
1"
|
1,5"
|
|
Структура клапана
|
Прямоугольный, служить фланцем порт
|
|
|
Ряд давления деятельности
|
0,35 до 0,85 Mpa
|
|
|
Напряжение тока катушки
|
24VAC, 110VAC, 220VAC, 24VDC
|
|
|
Материал тела клапана
|
Алюминиевый сплав
|
|
|
Материал диафрагмы
|
NBR, FKM, EPDM
|
|
Приказывая код клапана реактивного сопла ИМПа ульс серии FS:

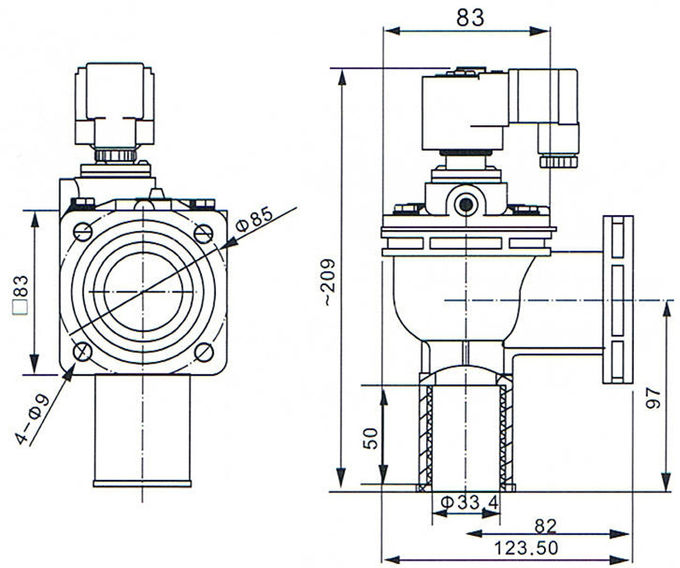
Основной размер клапана реактивного сопла ИМПа ульс CAC25FS:

Видео клапана реактивного сопла ИМПа ульс CAC25FS:
Больше типа клапаны Goyen ИМПа ульс для вас, который нужно выбрать:
![]() |
![]() |
![]() |
![]() |
| Серия t | Серия DD | Серия FS | Серия MM |
![]() |
![]() |
![]() |
![]() |
| Серия RCA | Катушка соленоида | Armature соленоида | Диафрагма |
Фокус на ваших требованиях, предложение вы самое лучшее решение:
√ свяжется мы если некоторые пункты вы имеют сомнение
√ свяжется мы если где-то нужно изменить
√ свяжется мы если не одно, то вы ищете
√ свяжется мы если вы делаете конструировать
Добро пожаловать к вашим любым вопросу и дознанию!