Алюминий клапана ИМПа ульс среднего дюйма давления 2 1/2 пневматический с диафрагмой НБР
Клапан электромагнитного ИМПа ульс серии ДМФ-И также вызван погруженным в воду клапаном ИМПа ульс. Соответствующее для среднего или низкого давления подачи воздуха. Оно принимает диафрагму НБР, которая более прочна, и имеет общий общий диаметр и более широкую зону брызг. Разнообразие напряжения тока, который нужно выбрать.
Если вам нужны клапаны ИМПа ульс другого калибра или других видов, то мы можем обеспечить покуда вы свяжетесь мы.
Особенность ДМФ-И-62С
процесс вковки 1.Хот, небольшой размер, точное возникновение
структура поршеня 2.Тхэ романна и срок службы более длинен
беглость 3.Беттер
4.Лов сопротивление, хорошая беглость, высокий том впрыски
Материал
Тело: алюминий АДК12 Плашк-бросания
Весна: Нержавеющая сталь
Винты: Нержавеющая сталь
Спекафикатион
| Давление деятельности | 0.2~0.8Мпа |
| Температура окружающей среды | для -5-50°К |
| Материал диафрагмы | НБР (нитрил) или ВИТОН (НБР для -5~80°К; ВИТОН для -5~230°К) |
| Относительная влажность | <85> |
| Средство деятельности | Чистый воздух |
| Напряжение тока | АК110В/АК220В/ДК24В |
| Жизненные циклы диафрагмы | Над 1 миллионом циклами |
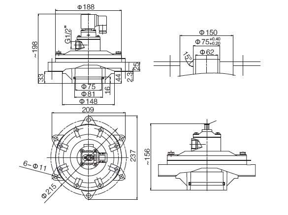
Чертеж размера ДМФ-И-62С

| Тип | Размер отверстия | Номер диафрагмы | Размер отверстия выхода | |
| Мм | Дюйм | |||
| ДМФ-И-62С | 62 | 2 1/2» | 2 | 75 |
Диафрагма с НБР

Проверка технических характеристик
1, открытый тест напряжения тока
В воздуховоде клапана электромагнитного ИМПа ульс, соедините чистый воздух с номинальным давлением источника воздуха. Иньпут электрический сигнал 85% из номинального напряжения и 0.03с ширины на электромагнитном клапане проверить ли клапан электромагнитного ИМПа ульс открыт нормально.
2, близкий тест воздушного давления
В воздуховоде клапана электромагнитного ИМПа ульс, соедините чистый воздух с давлением 0,1 МПа, иньпут электрический сигнал закрыть клапан, и проверите закрыт ли клапан электромагнитного ИМПа ульс надежно.
3, тест сопротивления давления
В воздуховоде клапана электромагнитного ИМПа ульс, чистый воздух с давлением 0,8 МПа подключен на 60 минут, и проверена утечка герметизируя частей на клапане электромагнитного ИМПа ульс.
4, тест сопротивления изоляции
(1) измеряет сопротивление изоляции электромагнитной катушки к наружному кожуху под определенными условиями окружающей среды с рядом метра 500В 0МΩ~500МΩ и класса 1. точности.
(2) положило клапан в распределительный ящик регулировки и влажности температуры, и установило температуру до 35 градусов, и относительная влажность 85%, прикладывает 50Хз, синусоидальное напряжение тока АК 250В между электромагнитной катушкой и телом клапана для 1мин. Проверите для нервного расстройства.
5, тест анти--вибрации
Клапан фиксирован на стенде испытания на вибропрочность, и после того как частота вибрации 20 Хз, полная амплитуда 2 мм, и вибрация минута 30, проверяны на отсутствие качки крепежные детали каждой из частей клапана и работа нормальна.
6, определение срока службы диафрагмы
Чистый воздух номинального давления соединен с воздуховодом клапана электромагнитного ИМПа ульс, и значение номинального напряжения ширины 0,1 с и интервала 3 с иньпут на электромагнитном клапане, и записано число последовательной или кумулятивной деятельности клапана.
пожалуйста позаботьте детали продуктов на нашем вебсайте, сколько угодно смутите пожалуйста свяжитесь мы или заметьтесь вашу просьбу онлайн. Большое приобретение количества, пожалуйста свяжется наша онлайновая служба для того чтобы спросить более экономический путь доставки или обсудить более милую цену.
Ждать наше дознание!