ЭВР 6 клапан соленоида г серия 1/2» для хладоагента Фреон рефрижерации
Клапан соленоида рефрижерации ЭВР6 соответствующий для хладоагента, воды, жидкости и газа Фреон как средство деятельности. Он использует электрический сигнал удаленно контролировать средство деятельности в трубопроводе для того чтобы осуществить включеный-выключеную автоматизацию и осуществить электро-механическую интеграцию. Клапан соленоида рефргератион ЭВР6 имеет преимущества быстрого отверстия клапана, стабилизированного представления, удобной пользы, хорошего энергосберегающего и длинного срока службы.
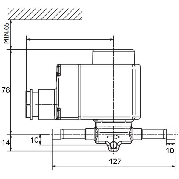
Технические данные:
| Модель: | Размеры трубы | Х1 | Х2 | Х4 | Л | Л2 |
КВ значения (³/х м) |
|||||||
|
САЭ Вход/выход |
ОДФ Вход/выход |
Дюйм | мм | Дюйм | мм | Дюйм | мм | Дюйм | мм | Дюйм | мм | Дюйм | мм | |
| ЭВР3-014 | ЭВР3-014С | 1/4 | 6 | 0,5 | 14 | 2,8 | 71 | 4,0 | 102 | 0,3 | 7 | 0,27 | ||
| ЭВР3-038 | ЭВР3-038С | 3/8 | 10 | 0,5 | 14 | 2,9 | 73 | 4,6 | 117 | 0,4 | 10 | |||
| ЭВР6-038 | ЭВР6-038С | 3/8 | 10 | 0,5 | 14 | 3,1 | 79 | 4,4 | 111 | 0,4 | 10 | 0,8 | ||
| ЭВР6-012 | ЭВР6-012С | 1/2 | 12,8 | 0,5 | 14 | 3,1 | 79 | 5,0 | 127 | 0,4 | 10 | |||
| ЭВР10-012 | ЭВР10-012С | 1/2 | 12,8 | 0,6 | 16 | 3,1 | 79 | 5,0 | 127 | 0,4 | 10 | 1,9 | ||
| ЭВР10-058 | ЭВР10-058С | 5/8 | 16 | 0,6 | 16 | 3,1 | 79 | 6,3 | 160 | 0,5 | 12 | |||
| ЭВР15-058С | 5/8 | 16 | 0,7 | 19 | 3,4 | 86 | 6,9 | 176 | 0,5 | 12 | 2,6 | |||
| ЭВР15-078С | 7/8 | 22 | 0,7 | 19 | 3,4 | 86 | 6,9 | 176 | 0,7 | 17 | ||||
| ЭВР20-078С | 7/8 | 22 | 0,8 | 20 | 3,5 | 90 | 7,5 | 191 | 0,7 | 17 | 5 | |||
| ЭВР20-118С | 1 1/8 | 28,8 | 0,8 | 20 | 3,5 | 90 | 8,4 | 214 | 0,8 | 22 | ||||
| ЭВР22-138С | 1 3/8 | 35 | 0,8 | 20 | 3,5 | 90 | 11,1 | 281 | 1 | 25 | 6 | |||
| ЭВР25-118С | 1 1/8 | 28,8 | 1,5 | 38 | 5,4 | 138 | 2,8 | 72 | 10,0 | 256 | 0,8 | 22 | 10 | |
| ЭВР25-138С | 1 3/8 | 35 | 1,5 | 38 | 5,4 | 138 | 2,8 | 72 | 11,0 | 281 | 1 | 25 | ||
| ЭВР32-138С | 1 3/8 | 35 | 1,9 | 47 | 4,4 | 111 | 2,1 | 53 | 11,0 | 281 | 1 | 25 | 16 | |
| ЭВР32-158С | 1 5/8 | 42 | 1,9 | 47 | 4,4 | 111 | 2,1 | 53 | 11,0 | 281 | 1,1 | 29 | ||
| ЭВР40-158С | 1 5/8 | 42 | 1,9 | 47 | 4,4 | 111 | 2,1 | 53 | 11,0 | 281 | 1,1 | 29 | 25 | |
| ЭВР40-218С | 2 1/8 | 54 | 1,9 | 47 | 4,4 | 111 | 2,1 | 53 | 11,0 | 281 | 1,3 |
3 |
||
Диаграмма объяснения клапана соленоида рефрижерации ЭВР6-012С:

Основа разделяет диаграмму клапана соленоида рефрижерации ЭВР6-012С:

Положение клапана соленоида рефрижерации ЭВР6-012С в системе рефрижерации:

Охладители охлаженные водой и охлаженные воздухом охладители с клапаном соленоида ЭВР6-012С:
Блок рефрижерации воздушного охлаждения соответствующий для небольшой и среднего размера системы водоснабжения в этой области. Более длинно ежегодное время оператинг, более благоприятен с воздушным охлаждением блок рефрижерации будет. Ежегодная всесторонняя цена блока воздушного охлаждения ниже чем эта из системы охлаждения воды, но если система управляется и водоснабжение проконтролировано под 3%, то начальный вклад блока воздушного охлаждения труден для того чтобы взять сравненный с этим из холодильного агрегата воды.
Сравните 2 блока:
1. Вод-охлаженные охладители необходимо оборудовать с стояками водяного охлаждения. Для открытой охлаждая обеспечивая циркуляцию системы водообеспечения, СО2 избегает в воздух по мере того как охлажденная вода поглощает жару и контактирует воздух. Растворенный рост кислорода и замутненности воды, формируя охлаждая обеспечивая циркуляцию систему водообеспечения. Главные проблемы: корозия, шкалирование, бактериальный рост, шуга. Если качество воды не обработано, то оборудование рефрижерации серьезно будет повреждено, эффективность теплообмена значительно будет уменьшено, приводящ в отходе энергии. Поэтому, очень важно обработать систему водообеспечения с ингибитированием корозии, ингибитированием масштаба, стерилизацией и водорослями.
Систему охлаждения охладителя охлаженного водой необходимо оборудовать с электронным блоком водоочистки или сегнетомагнитным блоком водоочистки. В противном случае, эффективность тепловыделения слишком большая. Более длиной вы используете его, хуже система будете. Годовые затраты водоочистки высоки, влияние чем 100. % дескалинг. Качество охлаждая обеспечивая циркуляцию воды ключ. Обработка охлаждая обеспечивая циркуляцию воды разделена в физические обработку и химическую обработку.
2. Вода/охлаженные воздухом охладители доступны для небольших систем. Большинств большие блоки охлаженная вода. Начальный вклад водяного охлаждения чем это из воздушного охлаждения. Но с стояками водяного охлаждения и комнатами машины, электронное оборудование водоочистки, там никакое место, который нужно пойти! К тому же, долгосрочная деятельность холодильного агрегата воды, эффективность охлаждения относительно будет уменьшена, и падение воздушного охлаждения небольшое.
3. С воздушным охлаждением охладитель принимает с воздушным охлаждением режим, который исключает стояк водяного охлаждения, насос охлажденной воды и систему трубопровода необходимые к охлаждая системе водообеспечения, избегает конденсации конденсатора и засорения трубы водопровода, и сохраняет водные ресурсы в зонах с плохим качеством воды. Самое экономическое, самое простое оборудование обслуживания оборудования кондиционирования воздуха холодной воды.
Бывший вклад с воздушным охлаждением охладителя немножко выше чем это из вод-охлаженного охладителя, но ежегодные производственные затраты ниже чем это из вод-охлаженного охладителя. Среди всех видов кондиционирования воздуха охлаждая и систем теплового источника, стоимость строительства комнаты машины самые низкие, и расходы на техническое обслуживание вод-охлажены. Или половина цены боилера. С воздушным охлаждением охладители более громкие и более круто чем вод-охлаженные охладители и могут только быть установлены оутдоорс. Большинств охладители воды установлены в подвал.
4. Срок службы с воздушным охлаждением охладителя 15-20 лет (вод-охлаженная машина винта); Срок службы с воздушным охлаждением охладителей 6-11 лет.
ПОЛИСМЕН представляет коэффициент выхода по энергии кондиционирования воздуха. Блок имеет эффективность высокой энергии. Высокий полисмен, более высокий эффективность кондиционирования воздуха и лучший энергосберегающее влияние. (ПОЛИСМЕН = кондиционирующ номинальную охлаждая емкость/обжал силу входного сигнала) ПОЛИСМЕН модуля воздушного охлаждения 3,44; ПОЛИСМЕН вод-охлаженного винта 5,2.
Добро пожаловать к вашему дознанию!