Тип удаленный пилотный клапан RCA25DD000 RCA25DD010 RCA45DD Goyen ИМПа ульс
Клапаны реактивного сопла ИМПа ульс использованы в фильтруя системе сборников пыли. Быстрое заключительное и раскрывая движение клапана играет важную роль в эффектно очищать систему и, она также обеспечивает экономическое потребление обжатого воздуха. Этот клапан соленоида ИМПа ульс идет через интенсивный процесс и проверен множественные времена нашими качественными аудиторами обеспечить что каждый компонент работает к самое лучшее своей способности. Этот строгий процесс обеспечивает что мы всегда для того чтобы поставить наградные качественные продучты к нашим esteemed клиентам.
Технические данные клапанов реактивного сопла ИМПа ульс серии DD:
|
Модель никакая
|
RCA20DD
|
RCA25DD
|
RCA45DD
|
|
Гаван размер
|
3/4"
|
1"
|
1 1/2»
|
|
Соединение трубы
|
Гайка дрессера
|
||
|
Номер диафрагмы
|
1
|
1
|
2
|
|
Ряд давления деятельности
|
0,35 до 0,85 MPa
|
||
|
Материал диафрагмы
|
NBR, FKM
|
||
|
Материал тела клапана
|
Алюминиевый сплав
|
||
Приказывая код клапана реактивного сопла ИМПа ульс серии DD:

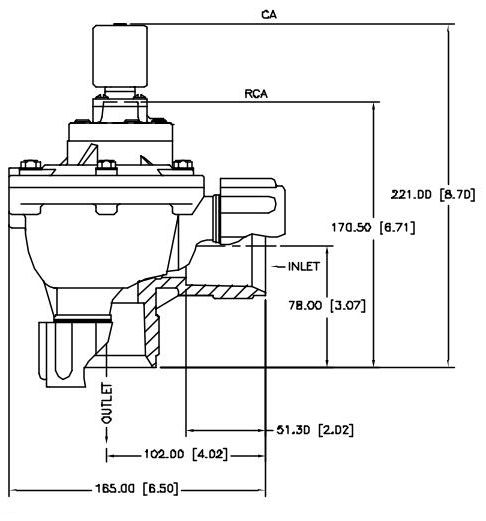
Основной размер клапана реактивного сопла ИМПа ульс RCA45DD:

Видео клапана реактивного сопла ИМПа ульс RCA45DD:
Больше типа клапаны Goyen ИМПа ульс для вас, который нужно выбрать:
![]() |
![]() |
![]() |
![]() |
| Серия t | Серия DD | Серия FS | Серия MM |
![]() |
![]() |
![]() |
![]() |
| Серия RCA | Катушка соленоида | Armature соленоида | Диафрагма |
Фокус на ваших требованиях, предложение вы самое лучшее решение:
√ свяжется мы если некоторые пункты вы имеют сомнение
√ свяжется мы если где-то нужно изменить
√ свяжется мы если не одно, то вы ищете
√ свяжется мы если вы делаете конструировать
Добро пожаловать к вашим любым вопросу и дознанию!