Цвет клапанов соленоида -40°К-105°К рефрижерации ЭВР20 ХКФК/ХФК/КФК латунный естественный
Клапаны соленоида рефрижерации ЭВР20 подключены с серией рефригератинг трубопроводов системы и проконтролированы сигналом команды от реле давления, реле, регулятора температуры ровного и ручного переключателя раскрыть и трубопроводов близкой системы жидких, и обыкновенно использованы для рефрижерации. Трубы системы раскрывают и закрывают автоматически с командами контроля системы. Соединенный с регулятором, он может отрезать подачу жидкости в системе.
Технические данные:
| Модели: | Размер порта | Х1 | Х2 | Х4 | Л | Л2 | КВ (³/х м) | |||||||
| Вход/выход САЭ | Вход/выход ОДФ | Дюйм | мм | Дюйм | мм | Дюйм | мм | Дюйм | мм | Дюйм | мм | Дюйм | мм | |
| ЭВР3-014 | ЭВР3-014С | 1/4 | 6 | 0,5 | 14 | 2,8 | 71 | 4,0 | 102 | 0,3 | 7 | 0,27 | ||
| ЭВР3-038 | ЭВР3-038С | 3/8 | 10 | 0,5 | 14 | 2,9 | 73 | 4,6 | 117 | 0,4 | 10 | |||
| ЭВР6-038 | ЭВР6-038С | 3/8 | 10 | 0,5 | 14 | 3,1 | 79 | 4,4 | 111 | 0,4 | 10 | 0,8 | ||
| ЭВР6-012 | ЭВР6-012С | 1/2 | 12,8 | 0,5 | 14 | 3,1 | 79 | 5,0 | 127 | 0,4 | 10 | |||
| ЭВР10-012 | ЭВР10-012С | 1/2 | 12,8 | 0,6 | 16 | 3,1 | 79 | 5,0 | 127 | 0,4 | 10 | 1,9 | ||
| ЭВР10-058 | ЭВР10-058С | 5/8 | 16 | 0,6 | 16 | 3,1 | 79 | 6,3 | 160 | 0,5 | 12 | |||
| ЭВР15-058С | 5/8 | 16 | 0,7 | 19 | 3,4 | 86 | 6,9 | 176 | 0,5 | 12 | 2,6 | |||
| ЭВР15-078С | 7/8 | 22 | 0,7 | 19 | 3,4 | 86 | 6,9 | 176 | 0,7 | 17 | ||||
| ЭВР20-078С | 7/8 | 22 | 0,8 | 20 | 3,5 | 90 | 7,5 | 191 | 0,7 | 17 | 5 | |||
| ЭВР20-118С | 1 1/8 | 28,8 | 0,8 | 20 | 3,5 | 90 | 8,4 | 214 | 0,8 | 22 | ||||
| ЭВР22-138С | 1 3/8 | 35 | 0,8 | 20 | 3,5 | 90 | 11,1 | 281 | 1 | 25 | 6 | |||
| ЭВР25-118С | 1 1/8 | 28,8 | 1,5 | 38 | 5,4 | 138 | 2,8 | 72 | 10,0 | 256 | 0,8 | 22 | 10 | |
| ЭВР25-138С | 1 3/8 | 35 | 1,5 | 38 | 5,4 | 138 | 2,8 | 72 | 11,0 | 281 | 1 | 25 | ||
| ЭВР32-138С | 1 3/8 | 35 | 1,9 | 47 | 4,4 | 111 | 2,1 | 53 | 11,0 | 281 | 1 | 25 | 16 | |
| ЭВР32-158С | 1 5/8 | 42 | 1,9 | 47 | 4,4 | 111 | 2,1 | 53 | 11,0 | 281 | 1,1 | 29 | ||
| ЭВР40-158С | 1 5/8 | 42 | 1,9 | 47 | 4,4 | 111 | 2,1 | 53 | 11,0 | 281 | 1,1 | 29 | 25 | |
| ЭВР40-218С | 2 1/8 | 54 | 1,9 | 47 | 4,4 | 111 | 2,1 | 53 | 11,0 | 281 | 1,3 | 34 | ||
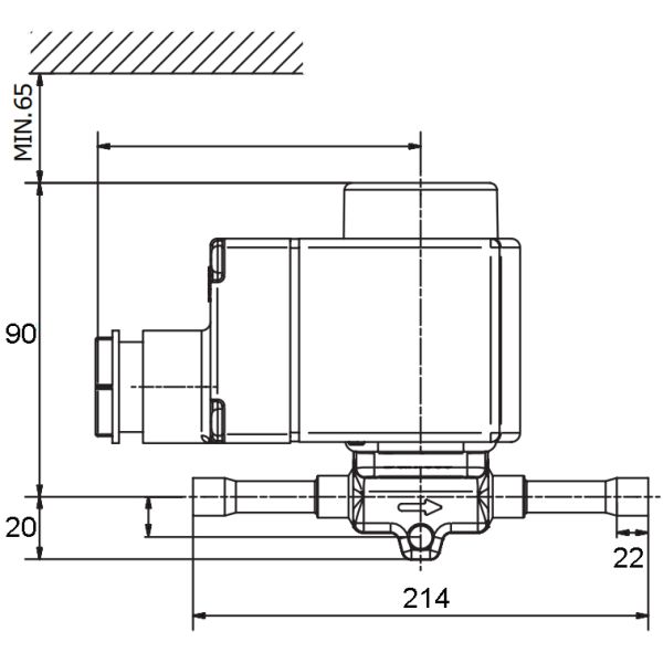
Основной размер клапанов соленоида рефрижерации ЭВР20:

Клапан соленоида рефрижерации ЭВР20 был использован в блоке рефрижерации:

Флайд применения клапана соленоида рефрижерации ЭВР20:

Функция клапана соленоида рефрижерации ЭВР20 в системе рефрижерации:
Клапан соленоида рефрижерации ЭВР20 можно использовать в линиях питания жидкости испарителя. Когда компрессор завершать работу с, жидкость может быть закрыта в испаритель предотвратить влажный пар от входа испарителя когда компрессор завершать работу с. Компрессор производит жидкостный молоток. Другой пример охлаждая труба водопровода используемая конденсатором, который автоматически режет или раскрывает водный источник пока компрессор повернут время от времени для сохранения охлажденной воды. К тому же, клапан соленоида можно также использовать как пилотный клапан для того чтобы контролировать главный клапан и другие применения. Вкратце, он совмещен с некоторыми автоматическими электроприборами, образовывает режим автоматического управления системы рефрижерации и регулировку главных компонентов.
Рассмотрение выбора, установки и осмотра клапана соленоида рефрижерации холодильных установок ЭВР:
Работая течение, напряжение тока, частота и сила каждой катушки соленоида имеют некоторый ряд, которым нельзя злоупотребить для избежания сгореть вне. Как падения напряжения тока, так делает всасывание катушки. Когда частота ак низка, всасывание увеличивает, но катушка горяча, легкий для того чтобы сгореть вне. Собирая клапан соленоида, часть катушки должна быть собрана правильно согласно чертежам в руководстве для избежания увеличить маньеторесистор. Рост магнетосопротивления не только уменьшит электромагнитное всасывание, но иногда направление всасывания не правильно, влияющ на вентильное действие.
Различные места службы должны использовать разные виды электромагнитных ширин. Например, клапаны соленоида в линиях хладоагента не должны быть использованы в трубах водопровода потому что вода может вычислить по макштабу, твердые примеси трудны для избежания и могут легко закупорить небольшие отверстия баланса в диафрагме. Для клапана соленоида на трубе возвращения разделителя масла, противоударные измерения должны быть приняты для избежания зыбкости давления выхода компрессора раскрыть и закрыть вспомогательный клапан. Для пользы с клапанами соленоида всасывания, используйте водоемкие катушки или близкие клапаны соленоида по мере того как они прональны к конденсации. Быть использовано когда температура окружающей среды выше чем ℃ 40, горячая катушка, етк.
Клапан соленоида должен свернуться спиралью, вертикальная установка в трубопровод, в противном случае, потому что ядр не может работать как следует и отказ. Средства массовой информации клапана соленоида пропускают от вершины катышкы к дну, поэтому должны быть в соответствии с направлением стрелки отмеченной на установке тела клапана, направлением стрелки для подачи средств массовой информации трубопровода.
Для проверки работает ли клапан соленоида нормально, электрическую лампочку можно соединять параллельно на линии электропередач клапана соленоида для указания своего государства переключения. Ручной переключатель также доступен последовательно на линии электропередач клапана соленоида. Когда цепь и ручной переключатель время от времени, если вы можете услышать, что звук клапана соленоида намотал действие, то клапан соленоида будет работать нормально. Анормалная деятельность клапана соленоида главным образом происходит в 3 аспектах: сверните спиралью горение, вставлять катышкы и остаточную намагниченность металлического стержня. Ядр может извлечься и извлечься путем нагревать или выстукивать если выпарки ядра не позволяют силе упасть автоматически.
Добро пожаловать к вашему дознанию!