Непосредственн-действуя клапан 2С500-50 водоочистки клапана соленоида нержавеющей стали пути НК 2/2
Нормально закрытый 2 клапан соленоида клапана 2С500-50 пути имеет тип 304 тело клапана нержавеющей стали и 2" женские порты НПТ. И его можно установить в любом положении. Он хорошо подойдет для использования с системами питьевой воды так же, как другими применениями, включая те требуя оборудования качества еды.
Продетые нитку соединения входа и выхода оба 2" женский НПТ. Порекомендованы, что с соленоид-работаемыми клапанами обеспечивает польза встроенного фильтра всегда уплотнения диафрагмы как следует.
Технические данные:
| Модель нет. | 2С500-50 | 
| Тип | Конец нормального | 
| Деятельность | Безредукторная передача | 
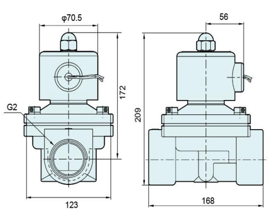
| Размер отверстия | 50 мм | 
| Размер порта | Г2» | 
| КВ | 48 м3/х | 
| Выкостность жидкости деятельности | КСТ 20 ниже | 
| Работая Темп | -5~80 ℃ | 
| Максимальное сопротивление давления | 1.0Мпа | 
| Ряд Влотаге | +-10% | 
| Материал | Тело: Уплотнение нержавеющей стали: НБР или ВИТОН | 
Особенное Влотагес и особенные спецификации, пожалуйста Контант мы.
Чертеж общего размера:

Диаграмма деконструкции 2С500-50:

Чертеж диафрагмы:

Больше деталей о клапане соленоида 2С500-50 на Йоутубе:
Спецификации и размеры клапана соленоида:

Электрический ток через катушку создает магнитное поле.
Магнитное поле прилагает силу на плунжере.
В результате плунжер вытягиван к центру катушки так, что отверстие раскроет.
Это основной принцип который использован для открытия и близкие клапаны соленоида.
Как выбрать уплотнение клапана соленоида:
НБР
 нитрилеаре вероятно самый экономический и широко использовать эластомер там. Этот материал имеет желаемый набор свойств включая низкое обжатие установленное, высокоомное к ссадине и хорошей прочности на растяжение.
Диапазон температур: Эффективный от -40°К к 120°К
 Пригодность: Общее назначение, особенно в зонах где уплотнение подвергнется действию углеродов, масел, нефти, воды и рабочих жидкостей
 Преимущества: Превосходное сопротивление ссадины и разрыва, рентабельное
 Ограничения: Нитрил не хорош на сопротивляясь ухудшении озоном или погодой
Свойства резины нитрила материальные делают им превосходное решение для герметизируя применений.
 Оно также имеет превосходное сопротивление к нефтепродуктам и может быть смешан для обслуживания температур до 250°Ф (121°К). С этими сопротивлениями температуры, правые резиновые смеси нитрила могут выдержать все, кроме самые строгие автомобильные применения.
Примеры применений и индустрий где нитрил (НБР, буна-Н) использован включают: Автомобильная промышленность; Индустрия боулинга; Масло & газовая промышленность
Витон
ФКМ/ФПМ для краткости. Этот материал имеет превосходный допуск для высоких температур, сопротивление к маслам, топлива и рабочие жидкости так же, как ароматикс и растворители.
Различные типы ФКМ/ФПМ/Витон доступны, с меняя количеством добавлений фтора которые увеличивают представление в конкретных ситуациях.
Диапазон температур: От -40°К до 250°К
 Пригодность: Хороший для пользы в высокотемпературных ситуациях или где химикаты используются. Также, как сопротивляясь масла, нефть и углероды, Витон устойчивы к минеральным кислотам, галоидированным углеродам и больше.
 Преимущества: Устойчивый к большинству химикатов, так же, как к ухудшению УЛЬТРАФИОЛЕТОВЫМ, погодой, озоном и прессформой.
 Ограничения: Более менее терпимый низких температур
Например, Витон с темп обслуживания. -45°К к +275°К также сопротивляет влияниям термальный задействовать, которые столкнуты во время быстрых восхождения и спуска воздушных судн от стратосферы.
Примеры применений и индустрий где Витон использовано включают: Воздушно-космическое пространство & авиационная промышленность; Автомобильная промышленность; Пищевая промышленность; Фармацевтическая промышленность
Добро пожаловать к вашим любым вопросу и дознанию!