1" тип ремоте РКА25ДД Гоен клапана сборника пыли двигателя ИМПа ульс - пилотируемое 24ВДК 220ВАК 230ВАК
Представление переключения типа клапана реактивного сопла РКА25ДД Гоен ИМПа ульс сразу влияет на дуя влияние и эффективность системы чистки. Оно главным образом испытывает клапан реактивного сопла ИМПа ульс РКА25ДД испытательным оборудованием которое отвечает параметрам как время на ответ, раскрывая время, дуя время, заключительное время и пиковое давление. Переключите проверку технических характеристик и запишите рабочую характеристику переключателя.
Видео ЙоуТубе мембранного клапана сборника пыли 1 дюйма РКА25ДД:
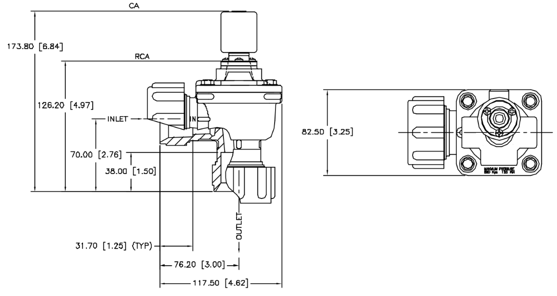
Общий размер РКА25ДД 1" клапан сборника пыли замены Гоен:

Технические данные ремоте серии ДД - пилотируемого клапана реактивного сопла ИМПа ульс гайки дрессера:
Деталь запасных частей типа мембранного клапана КА25ДД Гоен импульса:

Деятельность клапана реактивного сопла ИМПа ульс: клапаны реактивного сопла ИМПа ульс управляются объединенным оператором пилота соленоида. Когда клапан подпитан, поглощенный воздух над диафрагмой клапана ИМПа ульс быстро вымотан причиняя быстрое отверстие главного мембранного клапана. Когда пилот-работаемый клапан выключен, отверстия для выхода воздуха через отверстие в шатуне для разбрызгивания смазки главного клапана ИМПа ульс для того чтобы сбалансировать давление диафрагмы и немедленно закрывают клапан.
Круг обязаностей: Относительный цикл времени обязанности для напряжения тока ак 20% и для напряжения тока ДК 10%. Это подразумевает подпитанное время максимальное 1/5тх из выключенного времени для АК и 1/10тх для напряжения тока ДК.
Установка: Устанавливать в любом положении не повлияет на деятельность клапана ИМПа ульс. Как бы хороший проектировать практику избежать масштаба и сконденсированного тела клапана воды входя в для безотказного представления.
Сфокусируйте на ваших требованиях, предложите вам самое лучшее решение:
√ свяжется мы если некоторые пункты вы имеют сомнение
√ свяжется мы если где-то потребность изменить
√ свяжется мы если не одно, то вы ищете
√ свяжется мы если вы делаете конструировать
Добро пожаловать к вашим любым вопросу и дознанию!