АК220В модулирующая лампа электромагнитного ИМПа ульс диафрагм ДМФ-И-40С двойника дюйма ДН40 12В 24В ДК 110В 1 1/2»
Клапаны реактивного сопла ИМПа ульс ″ ДМФ-И-40С 1,5, клапан соленоида ИМПа ульс серии сбфек ДМФ врезали тип 1. Танк установил систему мембранного клапана с особенным спринлесс давлением самой высокой вершины предложений дизайна поршеня/диафрагмы и самыми лучшими особенностями оператинг проведения подачи необходим для применений сборника пыли. 2. Высококачественная диафрагма гарантирует длинный срок службы и большой диапазон температур. 3. возможный для того чтобы примениться различные сочетания из сооружают расстояния и до 24 клапана.
Клапаны реактивного сопла ИМПа ульс ″ ДМФ-И-40С 1,5, тип клапана соленоида ИМПа ульс серии сбфек ДМФ врезанный
1. Установленная танком система мембранного клапана с особенным спринлесс давлением самой высокой вершины предложений дизайна поршеня/диафрагмы и самыми лучшими особенностями оператинг проведения подачи требуемыми для применений сборника пыли.
2. Высококачественная диафрагма гарантирует длинный срок службы и большой диапазон температур.
3. возможный для того чтобы примениться различные сочетания из сооружают расстояния и до 24 клапана.
4. Каждое, который нужно соединиться с другими системами танка. Обслуживайте соединения для различных аксессуаров как: фильтруйте регулятор, манометр, безопасность и автоматический/ручной дренажный клапан.
5. Несколько соединений трубки для сдувания доступных, как: быстрый держатель, нажим-в, шланг или продетое нитку соединение.
Техническая диаграмма данных клапанов ИМПа ульс соленоида серии ДМФ ы в промышленной пользе фильтра:
| Номера модели | ДМФ-И-25 | ДМФ-И-40С | ДМФ-И-50С | ДМФ-И-62С | ДМФ-И-76С | ДМФ-И-102С |
|
Размер порта |
Г1» | Г1 1/2» |
Г2» |
Г2 1/2» |
Г3» |
Г4» |
|
Размеры мембраны
(φ66 более небольшое)
|
φ96 | φ112 | φ160 | φ188 | φ202 | φ255 |
| Значения КВ | 30,53 | 53,47 | 71,47 | 150,85 | 186,66 | 313,09 |
| Дуя область (м2) | 8-10 | 12-16 | 18-28 | 27-38 | 37-65 ' | 70-90 |
| Вайгхгт (кг) | 0,75 | 1,2 | 2,35 | 3,2 | 4,05 | 6,65 |
| Температура окружающей среды | -25℃-80℃ или подгонянный | |||||
| Относительная влажность | ≤85% | |||||
| Средство деятельности | Чистый воздух | |||||
| Класс защиты | ИП 65 | |||||
| Жизненный цикл срока службы | Над миллионом временами | |||||
| Напряжения тока | АК110В/АК220В/ДК12В/ДК24В/12ВДК | |||||
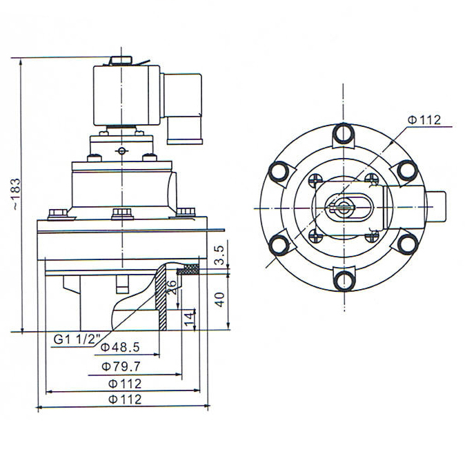
Общий размер тела клапана соленоида ИМПа ульс ДМФ-И-40С Пнеуамтик алюминиевого для сборника пыли:

Изображения детали клапана соленоида управлением серии ДМФ:

Подсказки: Все аксессуары можно продать отдельно как запчасти (диафрагма, катушка соленоида, собрание Арматуре)
Видео Йоутубе клапана соленоида ИМПа ульс сборника пыли ДМФ
Взгляд места службы диафрагмы клапана реактивного сопла ИМПа ульс соленоида чистого воздуха ДМФ одиночной:

Общие недостатки и методы ремонта клапана соленоида ИМПа ульс мембраны ДМФ:
1. Весна повреждена. Весна на катышке клапана ИМПа ульс легко повреждена. Возникновение что клапан ИМПа ульс выкачан к порту дуновения в течение длительного времени. Метод лечения заменить весну.
2. грязь ядра клапана, потому что воздух входа не чист, причиняя пакостить ядра клапана, приводящ в возникновении долгосрочного входа сопла или клапана ИМПа ульс не работает после силы, метод лечения очистить ядр клапана.
3. повреждена диафрагма, после того как долгосрочный работает, диафрагма легка для того чтобы фатигуэ, оксидация, етк., приводящ в возникновении долгосрочной дефляции порта сброса давления, клапан ИМПа ульс не работает, обработка заменить диафрагму.
4. Резиновая колодка повреждена. После того как время пользы длинно, резиновая колодка на катышке клапана ИМПа ульс легко повреждена. Возникновение что клапан ИМПа ульс выкачан к дуя порту в течение длительного времени. Метод лечения заменить резиновую колодку.
5. Прегражено или повреждено отверстие. Воздух входа не чист и отверстие дросселя прегражено. Возникновение что клапан ИМПа ульс выкачан к соплу в течение длительного времени. Метод лечения очистить отверстие; отверстие повреждено или пропущено, и отверстие сделано. Потеря перехвата, приводящ в анормалном сбросе давления, возникновение клапана ИМПа ульс после того как сила активирована, дефляция порта сброса давления, но клапан ИМПа ульс не распылен, обработка отверстие замены.
Сфокусируйте на ваших требованиях, предложите вам самое лучшее решение:
√ свяжется мы если некоторые пункты вы имеют сомнение
√ свяжется мы если где-то потребность изменить
√ свяжется мы если не одно, то вы ищете
√ свяжется мы если вы делаете конструировать
Добро пожаловать к вашим любым вопросу и дознанию!