Тип гидравлическое ДИН 43650А ДК24В АК220В 16мм кс 37.5мм кс 50мм ЭВИ 3П/16 АМИСКО катушки соленоида
Этот тип гидравлическая катушка ЭВИ 3П/16 АМИСКО соленоида использован в гидравлических задерживающих клапанах. Задерживающий клапан использован в гидравлической системе для предотвращения обратного потока подачи масла. Он использован в пневматической системе для предотвращения обратного потока обжатого воздуха. Жидкость может только пропустить вдоль входа, но средство выхода нельзя рециркулировать.
Несколько путей в которых задерживающий клапан использован в гидравлической системе:
 (1) если задерживающий клапан установлен на порт насоса, то он может предотвратить подъем давления системы и повредить масляный насос.
(2) если задерживающий клапан в порядке клапана дросселя или клапана уменьшения давления, то привод быстр к обратной скорости; или обратный поток обращен к торможению.
(3) если задерживающий клапан соединян последовательно с напорным клапаном, то постепенно увеличьте давление регулировки предотвратить реакцию давления.
(4) для жидкостного контрольного клапана контрольной проверки, использован проход масла контроля, и когда задерживающий клапан раскрыт, масло нельзя обратно пропустить назад.
Технический параметр типа гидравлической катушки ДИН 43650А АМИСКО ЭВИ 3П/16:
| Номер модели | ББ16050020 | 
| Справочный номер | ЭВИ 3П/16 | 
| Нормальное напряжение тока | 12-24 ВДК (±10%) | 
| Нормальная сила | ДК: 26В | 
| Материал | Пластмасса, латунь | 
| Класс провода | Х, Ф | 
| Соединение | ДИН 43650А | 
| Применение | Задерживающий клапан соленоида патрона | 
| Размер отверстия | 16 мм | 
| Высота | 50 мм | 
| Ширина | 37,5 мм | 
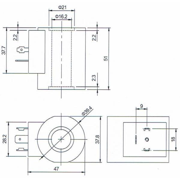
Основной размер типа катушки ЭВИ 3П/16 АМИСКО ДИН 43650А гидравлической:

Увеличение детали типа гидравлической катушки ДИН 43650А ЭВИ 3П/16 Амиско:

Физическая карта типа гидравлической катушки ДИН 43650А Амиско ЭВИ 3П/16 соленоида:


Больше деталей о типе гидравлической катушке ЭВИ 3П/16 АМИСКО соленоида внутри под видео Йоутубе:
Параметры гидравлической электромагнитной катушки технические:
 Форма соединения: быстрая установка; тип: модулирующая лампа; материал: утюг; объем применения: все виды машин и оборудование; форма установки: установка болта плиты; режим привода: электромагнитный; части и аксессуары: катушка.
Основные особенности гидравлической катушки соленоида:
 1. Замотки аранжированы аккуратно, и ошибка сопротивления между катушками между 0,5 омами;
 2. Наружный допуск диаметра продукта проконтролирован на 0.1мм;
 3. прямо в замотке арматуре, слой изоляции арматуре сделан высококачественной изолируя ленты без морщинок;
 4. Точность размера рамки достигает 0.01мм, которая удобна для собрания пригонки взаимодействия.
2 общих вопроса о катушке клапана соленоида:
Вопрос: Когда электромагнитная катушка подпитана, шум слишком большой. Как разрешить его?
 Ответ: Начало электромагнитной проблемы шума катушки лежит в части головы руководства. Пилотная голова имеет разницу АК и ДК. Потребности пилота АК компонентные добавить кольцо магнитного разъединения на статическом металлическом стержне, который может эффектно контролировать проблему шума.
Вопрос: Как должна электромагнитная катушка быть выбрана?
 Ответ: Вы можете найти внутренние размер, высота и ширина отверстия электромагнитной катушки для обнаружения подобных или идентичных электромагнитных катушек.
Электромагнитный метод установки катушки:
 Введите соленоид в катышку клапана соленоида и исправьте он в правильном направлении.
 Штырь или руководство силы соединены с 2 поляками электропитания, и штырь зазмеления соединен с наземной проводкой (вообще, потребляемая мощность не разделена в положительные и отрицательные поляков, и специальный случай соединен положительными и отрицательными знаками катушки).
Причина, по которой катушка клапана соленоида горяча:
 Когда катушка клапана соленоида в (подпитанной) деятельности, ядр привлечено для того чтобы сформировать замкнутую магнитную цепь. То есть, когда индуктивность на максимальном государстве, время дизайна. Жара нормальна, но уменьшено ядр нельзя ровно соединиться когда ядр подпитано, индуктивность катушки, импеданс уменьшен, и течение увеличено соответственно. Это причиняет течение катушки быть слишком большим и жизнь затронута, поэтому помешаны масло, примеси, деформация, етк. Когда сила повернута дальше, действие медленно, и даже если оно нормально полно не поглощено, катушка часто подпитана с государством в котором импеданс более менее чем нормальный, который фактор который причиняет катушку нагреть вверх.
Метод подтверждения катушки клапана соленоида хорош или плох:
 Для того чтобы подтвердить что электромагнитная катушка хороша или плоха, вы можете использовать вольтамперомметр для того чтобы измерить сопротивление клапана соленоида. Сопротивление катушки должно быть около 1К омом! Если сопротивление катушки бесконечно, то оно значит что цепь открыта. Если сопротивление катушки клонит до нул, то оно должно быть заменено на новое одно.
Добро пожаловать к вашим любым вопросу и дознанию!