ДК24В 2 пути сразу действуя нормально раскрываемая жидкая модулирующая лампа 2КВ030 2/- 06 с размером 1 порта/8" для воды масла пара
Особенности Проудкт клапана соленоида жидкого контроля 2КВ030-06:
1, действовать Директ и нормально раскрываемый клапан соленоида типа 2/2 путей. Своя высокая чувствительность позволяет ей изменить направление быстро.
2, она имеет широкий ряд давления, включая дополнительное высокое давление (кс), высокий том давления (х), стандартных и больших (л) выбрать от.
3, это компактный, небольшой размер и легковес. Легко установить и разобрать.
4, тело клапана сделаны латуни. Своя катушка имеет классификацию сопротивления жары Б. класса. Стандартный материал уплотнения ФПМ-Ф. Пльс свяжется мы если другой материал необходим.
5, класс защиты катушки ИП65 и выбор для громмет или терминального электрического входа.
Спецификации клапана соленоида 2КВ030-06:
| Действовать | Сразу действовать | ||||
| Способная к адаптации жидкость | Воздух, вода, масло | ||||
| Предел выкостности | Под 20КСТ | ||||
| Окружающая и жидкая температура (℃) | Вода | Воздух | Масло | Окружающий | |
| Макс | 80 | 90 | 80 | 70 | |
| Минута | 1 | -20 | -10 | -20 | |
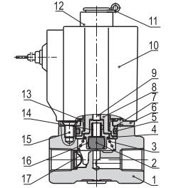
Внутренняя структура клапана соленоида 2КВ030-06 жидкого контроля

| Нет. | Деталь | Нет. | Деталь | Нет. | Деталь |
| 1 | Тело | 7 | Фиксированная крышка | 13 | Шайба |
| 2 | Воздухонепроницаемое кольцо | 8 | Электромагнит | 14 | Весна |
| 3 | Весна | 9 | Дрил человека | 15 | Винт |
| 4 | Фланец шарика | 10 | Собрание катушки | 16 | Воздухонепроницаемый куст |
| 5 | Колцеобразное уплотнение | 11 | Зажим е | 17 | Фильтр |
| 6 | Фиксированная плита | 12 | Расположите кольцо |
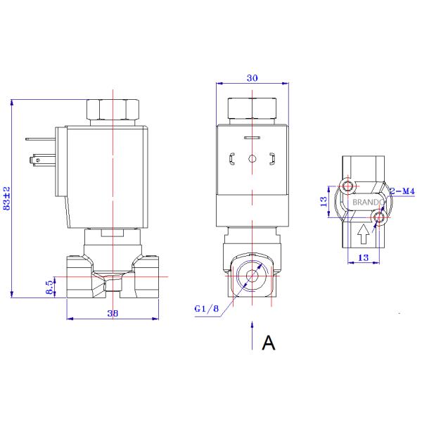
Общие размеры 2/2 клапанов соленоида 2КВ030-06 жидким управлением пути нормально раскрываемых:


Спецификация серии 2КВ направляет действующ нормально раскрываемый жидкий клапан соленоида:
| Тип/деталь | Размер порта | размер отверстия (мм) | КВ | Действительные область или раздел (² мм) | Вес (г) | Максимальный дифферентя рабочего давения | Давление доказательства | |||
| Мпа | пси | Мпа | пси | |||||||
| 2КВС030 | -06 | 1/8" | 1,5 | 0,1 | 1,8 | 315 | 2,0 | 300 | 3,0 | 450 |
| -08 | 1/4" | 305 | ||||||||
| 2КВХ030 | -06 | 1/8" | 2,0 | 0,18 | 3,0 | 315 | 1,5 | 220 | ||
| -08 | 1/4" | 305 | ||||||||
| 2КВ030 | -06 | 1/8" | 3,0 | 0,33 | 6,0 | 315 | 0,7 | 100 | ||
| -08 | 1/4" | 305 | ||||||||
| 2КВЛ030 | -06 | 1/8" | 4,0 | 0,55 | 10,0 | 315 | 0,4 | 60 | ||
| -08 | 1/4" | 305 | ||||||||
| 2КВС050 | -10 | 3/8" | 3,0 | 0,34 | 6,1 | 635 | 2,0 | 300 | ||
| -15 | 1/2» | 615 | ||||||||
| 2КВХ050 | -10 | 3/8" | 4,0 | 0,55 | 10,0 | 635 | 1,5 | 220 | ||
| -15 | 1/2» | 615 | ||||||||
| 2КВ050 | -10 | 3/8" | 5,0 | 0,83 | 15,0 | 635 | 0,7 | 100 | ||
| -15 | 1/2» | 615 | ||||||||
| 2КВЛ050 | -10 | 3/8" | 7,0 | 1,40 | 25,0 | 635 | 0,4 | 60 | ||
| -15 | 1/2» | 615 | ||||||||
Для больше угла этого клапана соленоида к щелчку гостеприимсва взгляда под изображением для того чтобы наблюдать ведио которое вывесило на Йоутубе:
Больше разнообразий клапана соленоида мы имеем, приветствуем ваш любой вопрос и требования, мы будем ответ на одном:
