GBC Danfoss Тип запорный шаровой клапан для холодильного оборудования с портом доступа
Запорные шаровые краны для холодильного оборудования, типы GBC, GBCH, GBCT — это запорные клапаны с ручным управлением для холодильных систем на CO2, предназначенные для открытия и перекрытия внутреннего пути потока с помощью шпинделя клапана.
Клапаны специально разработаны для внутренней безопасности при простое, что означает, что они могут выдерживать давление, обычно возникающее при отключении холодильной системы, т. е. во время обслуживания или при неожиданном отключении электроэнергии.
Конструкция и материалы клапана разработаны и протестированы специально для использования с хладагентом CO2.
Клапаны GBC и GBCH предназначены для использования в холодильных системах с субкритическим CO2.Клапаны GBCT одобрены для использования в транскритических системах CO2.
Технические данные холодильных шаровых кранов серии GBC:
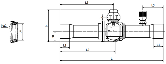
Размеры холодильных шаровых кранов серии GBC:

| Модель № | Размер порта | ЧАС | Н1 | л | L1 | L2 | L3 | L4 | L5 | М | Д | г |
| ГБЦ 6s | 1/4 дюйма | 50 | 15 | 139 | 7 | 75 | 73 | 22 | 31 | М4х0,7 | 14 | 1,5 |
| 6 мм | 50 | 15 | 139 | 7 | 75 | 73 | 22 | 31 | М4х0,7 | 14 | 1,5 | |
| ГБЦ 10s | 3/8 '' | 50 | 15 | 139 | 8 | 75 | 73 | 22 | 31 | М4х0,7 | 14 | 1,5 |
| 10мм | 50 | 15 | 139 | 8 | 75 | 73 | 22 | 31 | М4х0,7 | 14 | 1,5 | |
| ГБЦ 12s | 1/2 дюйма | 50 | 15 | 161 | 10 | 75 | 84 | 22 | 31 | М4х0,7 | 14 | 1,5 |
| 12мм | 50 | 15 | 161 | 10 | 75 | 84 | 22 | 31 | М4х0,7 | 14 | 1,5 | |
| ГБЦ 16s | 5/8 '' | 50 | 15 | 161 | 12 | 86 | 84 | 22 | 31 | М4х0,7 | 14 | 1,5 |
| 16мм | 50 | 15 | 161 | 12 | 86 | 84 | 22 | 31 | М4х0,7 | 14 | 1,5 | |
| ГБЦ 18s | 3/4'' | 58 | 19 | 185 | 14 | 99 | 96 | 30 | 37 | М4х0,7 | 19 | 1,5 |
| 18мм | 58 | 19 | 185 | 14 | 99 | 96 | 30 | 37 | М4х0,7 | 19 | 1,5 | |
| ГБЦ 22s | 7/8 '' | 58 | 19 | 185 | 17 | 99 | 96 | 30 | 37 | М4х0,7 | 19 | 1,5 |
| 22мм | 58 | 19 | 185 | 17 | 99 | 96 | 30 | 37 | М4х0,7 | 19 | 1,5 | |
| ГБЦ 28s | 1 1/8 дюйма | 80 | 25 | 208 | 20 | 112 | 108 | 38 | 44 | М4х0,7 | 26 | 1,5 |
| 28мм | 80 | 25 | 208 | 20 | 112 | 108 | 38 | 44 | М4х0,7 | 26 | 1,5 | |
| ГБЦ 35s | 1 3/8 дюйма | 89 | 30 | 251 | 25 | 136 | 130 | 48 | 44 | М6х1,0 | 32 | 1,5 |
| 35мм | 89 | 30 | 251 | 25 | 136 | 130 | 48 | 44 | М6х1,0 | 32 | 1,5 | |
| ГБЦ 42с | 1 5/8 дюйма | 110 | 35 | 281 | 29 | 151 | 145 | 55 | 56 | М6х1,0 | 38 | 1,5 |
| 42мм | 110 | 35 | 281 | 29 | 151 | 145 | 55 | 56 | М6х1,0 | 38 | 1,5 |
БРАНДО Производственное изображение:

Больше холодильных продуктов для вас на выбор:
![]() |
![]() |
![]() |
![]() |
| Холодильный электромагнитный клапан | 4-ходовой обратный клапан | Расширительный клапан | Перепускной клапан горячего газа |
![]() |
![]() |
![]() |
![]() |
| Регулятор давления в картере | обратный клапан | Смотровое стекло | Клапан доступа |
Сосредоточьтесь на ваших требованиях, предложите вам лучшее решение:
√ Свяжитесь с нами, если в некоторых моментах у вас есть сомнения
√ Свяжитесь с нами, если что-то нужно изменить
√ Свяжитесь с нами, если не тот, кого вы ищете
√ Свяжитесь с нами, если вы занимаетесь проектированием
Добро пожаловать на любой вопрос и запрос!