Двойное действие действия привода воздуха пневматическое одиночное для клапан-бабочки
Пневматические приводы приборы которые преобразовывают энергию обжатых воздуха или газа в механическое движение которое регулирует одни или больше выходные управляющие элементы. Они использованы как форма управления автоматизации для уменьшения необходимого человеческого взаимодействия с механизмами системы внутренними, которое особенно полезно для автоматических модуляции и аварийных остановок.
Движение пневматического привода может быть линейным или роторным в зависимости от дизайна прибора. Формирующие прототип приводы используют внешнюю силу сжатия, как обжатые воздух или газ, для того чтобы двинуть поршень вдоль внутренности полого цилиндра и построить давление. Это производит линейную силу по отношению к перепаду давления поршеня умноженному своей поверхностной областью, которая использована для того чтобы двинуть нагрузку вдоль прямой линии. Так называемые линейные приводы давления состояют на вооружений на десятилетия но повышения в дизайне диафрагмы и герметизируя возможности чрезвычайно улучшали эффективность и объем технологии функциональности.
Технические данные пневматического привода:
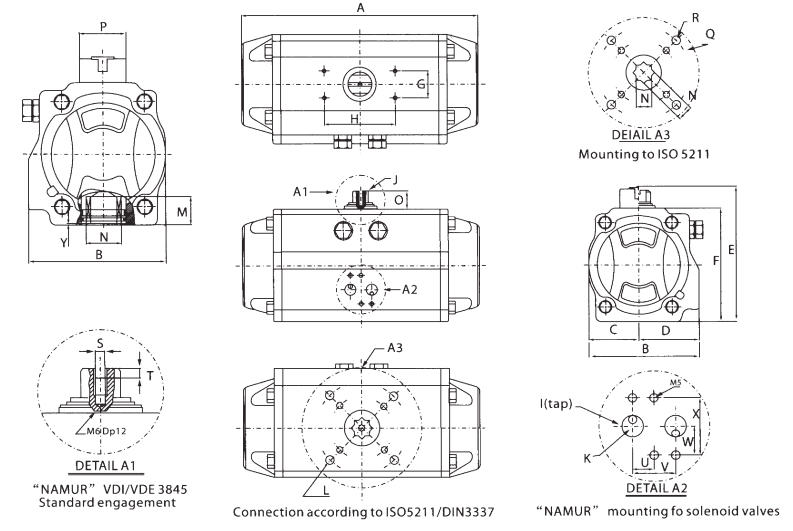
Основной размер пневматического привода:


Принцип деятельности пневматического привода:

Клапаны более пневматического привода для вас, который нужно выбрать:
| Пневматические шариковые клапаны | |||
![]() |
![]() |
![]() |
![]() |
![]() |
![]() |
![]() |
![]() |
| Пневматические клапан-бабочки | |||
![]() |
![]() |
![]() |
![]() |
Фокус на ваших требованиях, предложение вы самое лучшее решение:
√ свяжется мы если некоторые пункты вы имеют сомнение
√ свяжется мы если где-то нужно изменить
√ свяжется мы если не одно, то вы ищете
√ свяжется мы если вы делаете конструировать
Добро пожаловать к вашим любым вопросу и дознанию!