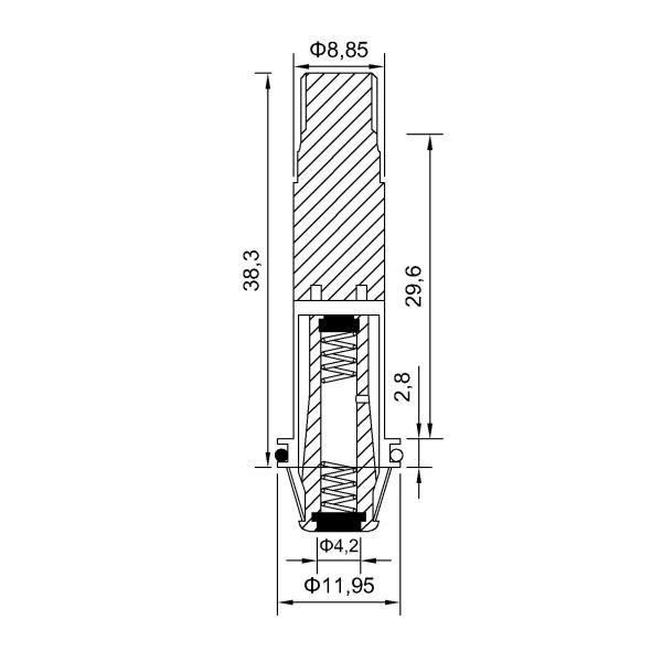
Фланца трубки проводника NC 2 путей Armature клапана соленоида латунного пневматический
Много типов клапана 5/2-way доступны с ручным преодолением автоматики, или даже с механизмом замка. Преимущества механизма замка можно увидеть во время обслуживания – клапана держит обозначенное положение до тех пор пока замок не выпущен – так сработанные пневматические элементы, как цилиндры или grippers сохраняют их положения. Одна возможная польза для ручного преодоления автоматики испытывает систему; клапану не нужно электрически быть подпитанным быть сработанным. Для того чтобы переключить клапан, он достаточно для нажатия кнопки преодоления автоматического действия. Недостаток механизма замка что операторы могли забыть извлечь замок.
Пока выбирающ клапан соленоида, типу электрического соединителя нужно быть рассмотренным. Некоторые изготовители имеют широкий диапазон дизайнов соединителя или используют стандартные соединители DIN, как DIN43650 тип a, b и C. Соединители доступны с различными рангами IP которые показывают как хорошо соединитель защищает против входа воды и пыли. Другой вариант соединителя индикаторная лампа которая может быть полезна для того чтобы обнаружить неисправность или потери электропитания клапана.
Размер собрания Armature BAPC209029003:

Технические данные:
Характеристики продукта:
1. фиксированное ядр и передвижное ядр (плунжер):
Материал принятия rustproof и коррозионностойкий с высокой магнитной проводимостью и низкой остаточной намагниченностью для обеспечения действовать собрания armature прочный и умный.
2. Трубка проводника (трубка плунжера):
Варианты латуни и нержавеющей стали, ранг H62 или SUS304;
Толщина стены от ряда 0.25~2.5mm, другие смогла быть подгоняна;
Виды сваривая типа для удержания различного давления работы, как заварка лазера, заварка аргон-дуги, серебряный паять. Подвергать механической обработке от всего твердого бара сразу также доступен.
3. Весна:
Rustproof нержавеющая сталь SUS304, с хорошей работой восстановления.
4. Уплотнения:
Варианты NBR, HNBR, FKM, EPDM, PTFE, материалов качества еды, приветствуют ваши другие требования.
Затеняя кольцо 5:
Бондарь и серебряный материал доступные.
6. Шайба и гайка сохранения обеспечили если имеет требования.
Больше собрания Armature клапана соленоида для вас, который нужно выбрать:
* согласно трубке OD: 5-7mm, 8mm, 9mm,10mm,11mm,12mm,13mm,14mm,15mm,16mm,17mm, до60mm.




* согласно материалу трубки: Латунь, нержавеющая сталь




* согласно применению клапана:
1. Собрание Armature клапана соленоида ИМПа ульс, собрание Armature клапана соленоида 2. вод, 3. пневматических собрания собрания Armature клапана соленоида, 4. Armature клапана соленоида рефрижерации, собрание Armature рельса 5. инжекторов, собрание Armature клапана соленоида тени 6. воздушных струй, собрание Armature клапана соленоида 7. приборов дома, собрание Armature клапана собрания Armature клапана соленоида 8. автомобилей, медицинское соленоида 9., etc.




Фокус на ваших требованиях, предложение вы самое лучшее решение:
√ свяжется мы если некоторые пункты вы имеют сомнение
√ свяжется мы если где-то нужно изменить
√ свяжется мы если не одно, то вы ищете
√ свяжется мы если вы делаете конструировать
Добро пожаловать к вашим любым вопросу и дознанию!