SCG353A043 3/4" прямоугольный AC 220V DC 24V мембранного клапана
Клапан реактивного сопла ИМПа ульс один из компонентов фильтра сумки. Различные модели фильтра сумки выберут разные виды jetvalve ИМПа ульс. Так как вы выбираете правый клапан соленоида ИМПа ульс для сборника пыли? Один тип сборника пыли использует стиль клапана ИМПа ульс диафрагмы. Например, тип сборник сумки ИМПа ульс низкого давления пыли использует погруженный в воду клапан ИМПа ульс, но зона фильтра разных видов фильтра сумки другая, поэтому размер клапана реактивного сопла ИМПа ульс также другой. Зона фильтра большая, и выбран клапан реактивного сопла ИМПа ульс с крупноразмерным. Вместо этого выберите небольшой клапан реактивного сопла ИМПа ульс.
Технические данные:
| Модель никакая | SCG353A043 |
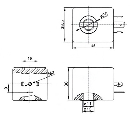
| Гаван размер | G 3/4 дюймов |
| Размер Nornimal | Φ20 |
| Давление деятельности | 0.3~0.8Mpa |
| Работая температура | -5~+55℃ |
| Относительная влажность | ≤85% |
| Средство деятельности | Воздух |
| Класс защиты | IP65 |
| Срок службы | Над 1000000 раз |
| Напряжение тока | AC220V, AC110V, AC24V, DC24V |
Размер клапана ИМПа ульс сборника пыли SCG353A043:

|
Модель нет.
|
BB11036001
|
|
Ref нет.
|
400325
|
|
Напряжение тока
|
AC24V, AC110V, AC220V, DC12V, DC24V
|
|
Соединение
|
DIN 43650A
|
|
Другое можно подгонять, пожалуйста свяжется мы.
|
|
|
Модель нет.
|
BAPC211037301
|
|
Ref нет.
|
C113444
|
|
NC/NO
|
NC
|
|
Путь 2 путь или 3
|
2Way
|
|
Другое можно подгонять, пожалуйста свяжется мы.
|
|
|
Модель нет.
|
A043
|
|
Ref нет.
|
C113443
|
|
Замените для
|
SCG353A043
|
|
Dia отверстия установки.
|
6.5mm
|
|
Герметизируя диск OD
|
/
|
|
REF. Нумеровать
|
SCG353A043
|
|
Давление деятельности
|
0.3~0.8Mpa
|
|
Напряжение тока
|
24V DC, 110V AC, AC 220V
Другие напряжения тока можно подгонять. |
|
Но. диафрагмы
|
1
|
|
Гаван размер
|
G3/4»
|
|
Другое требование пожалуйста контактирует.
|
|
Детали об управляемом пилотом клапане Pusle соленоида SCG353A043:

Видео Youtube прямоугольного пневматического клапана ИМПа ульс SCG353A043:
Особенности типа ASCO клапан ИМПа ульс 353 серий:
Специально конструированный для обратных типа двигател систем сборника пыли
Высокий cv подачи до 140 для эффективной чистки сумки
Высокая жизнь цикла и быстрые отверстие/заключение
Высококачественный polyacetal патрон поршеня (POM) обеспечивает длинный срок службы и большой диапазон температур
Быстрое соединение держателя исключает поток режа и герметизируя
Объединенные операторы отливали катушки в форму эпоксидной смолы, с доступными вариантами
Клапаны могут быть установлены в любом положении
Применение типа клапана ASCO ИМПа ульс соленоида:
Тип серия ASCO сборника пыли клапаны быстро-отверстия высоко-подачи двухсторонние, пилотные клапаны, приложения пилотного клапана, и штуцеры перегородки которые специально были конструированы для пользы в системах сборника пыли.
Конкретная обработка
Зерно, земледелие и питание
Деятельность металла (истирательный взрывать)
Пищевая промышленность
Плавильни
Фармацевтический
Конструкция:
Тело и гайки Dreeser: Алюминиевый (diecast)
Ferrule: Нержавеющая сталь 305
Armature: Нержавеющая сталь 430FR
Диафрагма и уплотнения: Нитрил или FKM
Весна: Нержавеющая сталь 304
Винты: нержавеющая сталь 302 или 304
Место диафрагмы: PA-66 (стандарт 25 & 40MM), Нитрил-покрытая слабая сталь (стандарт 76MM), винилацеталь (стандарт 102MM) или FKM покрыли слабую сталь
Фокус на ваших требованиях, предложение вы самое лучшее решение:
√ свяжется мы если некоторые пункты вы имеют сомнение
√ свяжется мы если где-то нужно изменить
√ свяжется мы если не одно, то вы ищете
√ свяжется мы если вы делаете конструировать
Добро пожаловать к вашим любым вопросу и дознанию!