Тип пневматическая вибромашина R50 Findeva ролика воздуха для промышленного хоппера
Вибромашины ролика серии r пневматические прочны, компактны, облегченны, и просты в дизайне. Они небольшие достаточно для приспособления в вашу руку, но все еще способный на поставлять очень высокие маховые силы. Конструкция отличает телом подвергли механической обработке легковесом, который алюминиевым, роликом точности стальным, и особенными ударопрочными пластиковыми endplates. Для легкой установки, тело имеет 2 набора отверстий; одно установило для горизонтальной установки, другого для вертикали. Воздух поставлен к блоку через один из 2 портов входа, которые просверлены под прямым углом до один другое в теле. Эта конструктивная особенность позволяет легкому доступу к воздуховодам в различных устанавливая положениях.
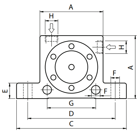
Основной размер вибромашин ролика серии r пневматических:

|
Модель
|
(mm)
|
Ширина
(mm)
|
C
(mm)
|
D
(mm)
|
E
(mm)
|
F
(mm)
|
G
(mm)
|
H
(Поток)
|
|
R-50
|
50
|
29
|
86
|
68
|
12
|
7
|
40
|
G1/8»
|
|
R-65
|
65
|
37
|
113
|
90
|
16
|
9
|
50
|
G1/4»
|
|
R-80
|
80
|
43
|
128
|
104
|
16
|
9
|
60
|
G1/4»
|
|
R-100
|
100
|
52
|
160
|
130
|
20
|
11
|
80
|
G3/8»
|
|
R-120
|
120
|
77
|
194
|
152
|
24
|
17
|
-
|
G3/8»
|
Технические данные вибромашин ролика серии r пневматических:
|
Модель
|
Вибрации
(x1000 RPM)
|
Маховая сила
(N)
|
Потребление воздуха
(Л/МИН)
|
||||||
|
бар 2
|
бар 4
|
бар 6
|
бар 2
|
бар 4
|
бар 6
|
бар 2
|
бар 4
|
бар 6
|
|
|
R-50
|
25,0
|
35,0
|
36,0
|
1070
|
2920
|
4220
|
100
|
145
|
195
|
|
R-65
|
19,0
|
21,0
|
26,0
|
2730
|
4830
|
6120
|
200
|
300
|
400
|
|
R-80
|
15,5
|
18,5
|
19,0
|
3000
|
6090
|
7450
|
290
|
430
|
570
|
|
R-100
|
11,0
|
14,0
|
16,0
|
3750
|
6750
|
8900
|
370
|
550
|
730
|
|
R-120
|
10,0
|
11,5
|
12,5
|
8000
|
10000
|
12500
|
500
|
730
|
970
|
Конструкция вибромашин ролика серии r пневматических:

Более пневматические вибромашины для вашего, который нужно выбрать:
![]() |
![]() |
![]() |
|
Серия GT Пневматические вибромашины турбины |
Серия k Пневматические вибромашины шарика |
Серия r Пневматическая вибромашина ролика |
Больше аксессуаров для пневматического Vibratos:
![]() |
![]() |
| Пневматический штуцер | Пневматический звукоглушитель |
Фокус на ваших требованиях, предложение вы самое лучшее решение:
√ свяжется мы если некоторые пункты вы имеют сомнение
√ свяжется мы если где-то нужно изменить
√ свяжется мы если не одно, то вы ищете
√ свяжется мы если вы делаете конструировать
Добро пожаловать к вашим любым вопросу и дознанию!