Воздушные потоки пневматических насосов диафрагмы нержавеющей стали для окисоводопода натрия
Характеристики продукта
| Деталь | Описание | Блок | Диаграмма ссылки |
| 1 | Максимальное давление воздуховода | Мпа | 0,69 |
| 2 | Максимальный расход потока | Л/МИН | 46 |
| 3 | Максимальный подъем | М | 70 |
| 4 | Максимальное давление выхода | Мпа | 0,69 |
| 5 | Максимальный размер частицы | мм | 2,5 |
| 6 | Вес | кг | 2,8 |
| 7 | Уровень шума | дб | <70 |
| 1 | Керамический материал для главного клапана и клапана обращать обеспечивает более длинную жизнь, больше стабильности и работу в грязном обжатом воздухе (большинств случаи, воздушный фильтр будут вариантом). |
| 2 | Без льда с шумоглушителем. Новаторский дизайн с выпускным пространством насоса, некоторый из шумоглушителя внутрь, это делает выход воздуха ровным.) |
| 3 | Наружные части насоса все умирают кастед алюминий и картина окружающ-защищенная экстренныйым выпуском, делает насос с элегантным возникновением. |
| 4 | Большая емкость подачи. Новаторский дизайн камеры увеличивает емкость подачи. Безшовная регулировка с клапаном входа, или даже закрывает клапан, без повреждать насос. |
| 5 | Низким воздух обжатый потреблением. Новаторский дизайн системы воздушных потоков, уменьшает использование обжатого воздуха для того чтобы достигнуть максимальной производительности. |
| 6 | Светлый и небольшой размер, передвижной. |
| 7 | Модуларизатион главного мотора клапана и воздуха. Отсутствие сломленный, легкий для того чтобы демонтировать и отремонтировать. |
| 8 | Оптимизированный дизайн значительно уменьшает общий компонентный номер насоса. Значительно улучшите представление, помощь для обслуживания. |
| 9 | Для разнообразия силы, емкость подачи пневматического насоса нормально понижает чем электрический насос, но насос БСК выполним последовательно на некоторых условиях. Это может в большинстве удовлетворять запрос клиента. |
| 10 | Инноватед дизайн структуры и материала запечатывания, полностью разрешает утечку внутрь или снаружи. |
| 11 | Насос БСК можно начать с низкой прессой воздуха (пресса воздуха только 1,5 КГ может начать насос БСК). |
15 кс кс - С кс кс - кс (модельный выбор)
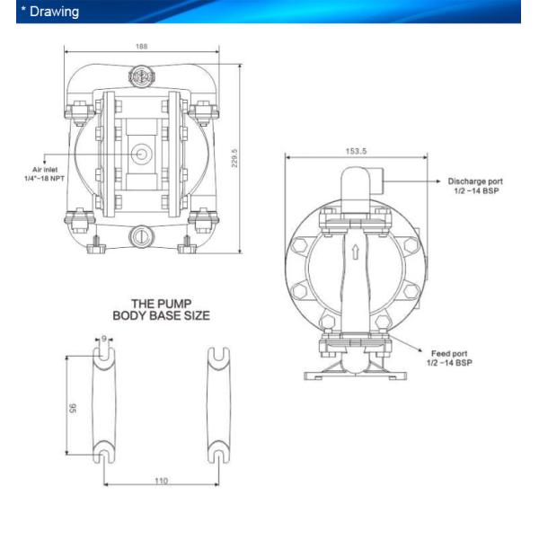
Сформируйте рта трубы: К-фланец А-БСП Б-НПТ (ф)
Материал диафрагмы: 9 – Сантопрене х – Хытрел т - ПТФЭ/Сантопрене
Материал шарика: 9 - Сантопрене х – Хытре т – ПТФЭ а - винилацеталь
Материал седла шарового клапана: П/К – полипропилен/Кыноар СС – нержавеющая сталь
Материал насоса: СС – АЛ нержавеющей стали – сталь углерода П/К КИ алюминиевого сплава – полипропилен/Кыноар
Пределы температуры максимума прикладные (материал диафрагмы/шарика/уплотнения)
Винилацеталь ············································ 40° - 150°Ф (4,4 - 65.5°К)
Сантопрене······································ -40° - (- 40° - 107.2°К) тефлон 225°Ф···············································40° - (4.4° - 104°К) нитрил 220°Ф················································10° - 180°Ф (- 12° - 82°К) Витон··················································20°-150°Ф (- 12° - 93°К) Кынар·················································(- 28.9° - 65.5°К) полипропилен 10°-200°Ф······································32° - 175°Ф (0-79.4°К)
Обслуживание
