Химический воздух привелся в действие насос диафрагмы/вакуумный насос диафрагмы
Проветрите насос диафрагмы (также знайте как насос мембраны, управляемый воздухом двойной насос диафрагмы (АООД) или пневматический насос диафрагмы) этот пользы сочетание из ресипрокатинг действия клапанов резины, термопластиковых или тефлондяфрагм и соответствующих любая сторона диафрагмы (задерживающего клапана, клапан-бабочек, клапанных решеток, или любой другой формы запорных клапанов) нагнести жидкость.
Характер продукции:
|
Воздуховод |
1/4-18НПТФ-1 |
|
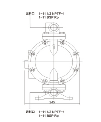
Жидкий выход |
1-11-1/2НПТФ-1, Рп1-11БСП |
|
Жидкий вход |
1-11-1/2НПТФ-1, Рп1-11БСП |
|
Максимальн Пропускать |
135Л/Мин |
|
Максимальн Голова |
70М |
|
Максимальный подъем Само-затравки (сухой) |
4м |
|
Максимальное воздушное давление |
8.3бар |
|
Максимальн Частица Диаметр |
3мм |
|
Максимальн Установка Размер |
249.5×360.5×245мм |
|
Вес |
9.5кг |
|
Шум |
<80db> |
Пневматические преимущества насоса диафрагмы:
1. Взрывозащищенная, зеро утечка, простая деятельность.
2. Бездельничая возможность, всасывание собственной личности, отсутствие сложного контроля.
3. Разнообразие материала, отсутствие вращающих частей, применимых к различным размывчатым ситуациям.
4. Диафрагма, шарик и седло шарового клапана принимают импортированные материалы с более длинным сроком службы.
5. Модуларизатион главного мотора клапана и воздуха. Отсутствие сломленный, легкий для того чтобы демонтировать и отремонтировать.
4. Материал: Литая сталь, Алу, СС, ПП
насос диафрагмы предлагает высокообъемную доставку даже на низкое воздушное давление и растояние дороги б вариантов материальной совместимости доступных. См. модель и диаграмма варианта. Насос обеспечен с модуларизед мотором воздуха и жидким разделом.
Управляемый воздухом насос диафрагмы друг производит давление жидкости входа и положительное давление жидкости в жидкой камере путем использование разницы в давления в камере воздуха. Шариковый клапан может обеспечить прямой поток жидкости.
Задействовать насоса начнет по мере того как воздушное давление приложено и оно будет продолжаться нагнести и сдержать вверх с требованием. Оно построит и поддержит линию прес - конечно и остановит задействовать как только максимальное давление в магистрали достигается (дис - пенсинг закрытый прибор) и возобновит нагнести как нужно.
2 5 кс кс - С кс кс - кс (модельный выбор)
Сформируйте рта трубы: К-фланец А-БСП Б-НПТ (ф)
Материал диафрагмы: 9 – Сантопрене х – Хытрел т - ПТФЭ/Сантопрене
Материал шарика: 9 - Сантопрене х – Хытре т – ПТФЭ а - винилацеталь
Материал седла шарового клапана: П/К – полипропилен/Кыноар СС – нержавеющая сталь
Материал насоса: СС – АЛ нержавеющей стали – сталь углерода П/К КИ алюминиевого сплава – полипропилен/Кыноар
Пределы температуры максимума прикладные (материал диафрагмы/шарика/уплотнения)
Винилацеталь ············································· 40° - 150°Ф (4,4 - 65.5°К)
Сантопрене······································· -40° - (- 40° - 107.2°К) тефлон 225°Ф················································40° - (4.4° - 104°К) нитрил 220°Ф·················································10° - 180°Ф (- 12° - 82°К) Витон··················································- 40° - 350°Ф (- 40°-176.6°К) Хытрел················································· 20°-150°Ф (- 12° - 93°К) Кынар·················································(- 28.9° - 65.5°К) полипропилен 10°-200°Ф·······································32° - 175°Ф (0-79.4°К)
1" графическое представление диаграммы

ИНСТРУКЦИИ ПО ЭКСПЛУАТАЦИИ
Обслуживание
Размеры установки:


