Воздух насоса диафрагмы 2 резинового вакуума пневматический не привелся в действие никакую утечку
Двойное действующее введение насоса диафрагмы
Проветрите насос диафрагмы (также знайте как насос мембраны, управляемый воздухом двойной насос диафрагмы (АООД) или пневматический насос диафрагмы) этот пользы сочетание из ресипрокатинг действия клапанов резины, термопластиковых или тефлондяфрагм и соответствующих любая сторона диафрагмы (задерживающего клапана, клапан-бабочек, клапанных решеток, или любой другой формы запорных клапанов) нагнести жидкость.
Насос диафрагмы предлагает высокообъемную доставку даже на низкое воздушное давление и растояние дороги б вариантов материальной совместимости доступных. См. модель и диаграмма варианта. Насос обеспечен с модуларизед мотором воздуха и жидким разделом.
Управляемый воздухом насос диафрагмы друг производит давление жидкости входа и положительное давление жидкости в жидкой камере путем использование разницы в давления в камере воздуха. Шариковый клапан может обеспечить прямой поток жидкости.
Задействовать насоса начнет по мере того как воздушное давление приложено и оно будет продолжаться нагнести и сдержать вверх с требованием. Оно построит и поддержит линию прес - конечно и остановит задействовать как только максимальное давление в магистрали достигается (дис - пенсинг закрытый прибор) и возобновит нагнести как нужно.
Двойные действующие параметры насоса диафрагмы
| Деталь | Описание | Блок | Диаграмма ссылки |
| 1 | Максимальное давление воздуховода | Мпа | 0,83 |
| 2 | Максимальный расход потока | Л/МИН | 903 |
| 3 | Максимальный подъем | М | 70 |
| 4 | Максимальное давление выхода | Мпа | 0,83 |
| 5 | Максимальный размер частицы | мм | 9 |
| 6 | Вес | кг | 103 |
| 7 | Уровень шума | дб | <70 |
Двойные действующие спецификации насоса диафрагмы
Насос диафрагмы воздуха
1. не утечка
2. хорошее проведение затравки собственной личности
3. транспортируйте все виды средства
4. материал: Литая сталь, Алу, СС, ПП
50 кс кс - С кс кс - кс (модельный выбор)
Сформируйте рта трубы: К-фланец А-БСП Б-НПТ (ф)
Материал диафрагмы: 9 – Сантопрене х – Хытрел т - ПТФЭ/Сантопрене
Материал шарика: 9 - Сантопрене х – Хытре т – ПТФЭ а - винилацеталь
Материал седла шарового клапана: П/К – полипропилен/Кыноар СС – нержавеющая сталь
Материал насоса: СС – АЛ нержавеющей стали – сталь углерода П/К КИ алюминиевого сплава – полипропилен/Кыноар
Пределы температуры максимума прикладные (материал диафрагмы/шарика/уплотнения)
Винилацеталь ··············································· 40° - 150°Ф (4,4 - 65.5°К)
Сантопрене··········································- 40° - (- 40° - 107.2°К) тефлон 225°Ф················································ ·40° - (4.4° - 104°К) нитрил 220°Ф·················································10° - 180°Ф (- 12° - 82°К) Витон···················································- 40° - 350°Ф (- 40°-176.6°К) Хытрел··················································- 20°-150°Ф (- 12° - 93°К) Кынар···················································(- 28.9° - 65.5°К) полипропилен 10°-200°Ф·········································32° - 175°Ф (0-79.4°К)
Двойное действующее применение насоса диафрагмы
1, ядовитая, горючая и волатилизабле жидкость.
2, сильная кислота, сильные жидкости алкалиа с корозией
3, автоцистерна, завод билк, нагрузка и разгружают нефтяных продуктов
4, соленье, пульпа плода, картофельные пюре, шоколады, етк
5, краска, резина, пигмент и прилипатели
6, различная керамическая пульпа, гроутинг, миномет и слурры
7, различный латекс, органические растворители, заполняя
8, обнажающ несущей масла (вода насоса грязная и остаточное масло)
9, общий хмель, тонкий затир из силы дрожжей, сироп и меласса
10, особенная жидкость
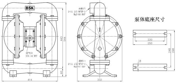
2" графическое представление диаграммы

Общее описание
Требования для воздуха и смазки
ЧРЕЗМЕРНОЕ ВОЗДУШНОЕ ДАВЛЕНИЕ. Смогите причинить повреждение насоса, личную травму или повреждение свойства.
ИНСТРУКЦИИ ПО ЭКСПЛУАТАЦИИ
Обслуживание
ЖИДКАЯ РАЗБОРКА РАЗДЕЛА
ПРИМЕЧАНИЕ: Только модели диафрагмы используют основную диафрагму (6А) и диафрагму подпорки (6). См. вспомогательный иляры взгляд в жидкой иллюстрации раздела.
ЖИДКАЯ РАЗБОРКА РАЗДЕЛА
Размеры установки:

Разборка частей в жидком разделе
а) во-первых, извлекает насос из системы трубопровода и фильтрует в разреженном пространстве материалы от насоса внутрь. место б) насос в чистой окружающей среде работы. к) разбирает трубу выхода (1) от насоса во-первых, и после этого принимает вне шарик (2), чашку о (3) и (47) и седло шарового клапана (4) от верхнего конца жидкой крышки (5) в последовательности. После этого, установите насос вверх ногами и разберите входящую трубу (11) для того чтобы принять вне чашку о (3) и (47), седло шарового клапана (4) и шарик (2) от жидкой крышки (5). отпуск д) болты вокруг 2 жидких крышек для того чтобы демонтировать крышку (5). отпуск е) винт диафрагмы (10) и извлекает шайбу диафрагмы (7), (8) и диафрагму (6) от обоих концов. Извлеките штангу диафрагмы (23) и кольцо уплотнения губ-формы (25) можно заменить. Разборка частей для клапана воздуха ф) отпускает болт (39) во-первых, и после этого разбирает кожух клапана воздуха (38), воздушный дефлектор (42) и набивку запечатывания (40), и (41). г) принимает вне кусок клапана (36) и плиту клапана (37) от кожуха клапана воздуха (38). х) разбирает сирклип (29) и принимает вне крышку конца предела (31) от обоих концов кожуха клапана воздуха (38), и вы можете заменить чашку (30) как нужно. и) вы можете проверить типа губ упаковку (33) после нажимать вне катышку (35) от кожуха клапана воздуха (38) с руками. Разборка частей для пилотного клапана дж) отпускает 4 болта (16) исправляя головка цилиндра во-первых, и после этого разбирает головку цилиндра (14) и (18) на обоих концах и извлекает чашку о (1ъ). к) извлекает набивку запечатывания (19) из паза кожуха мотора (15). л) выкидывает пилотную штангу (22) и штанга пуска (45) от кожуха мотора (15) и вас может заменить типа губ упаковку (20) на штанге пуска или чашке о (44) на пилотной штанге. Разборка насоса диафрагмы шаги разборки насоса несовместима с той из разборки, поэтому вы добросердечно спрошены, что обращаете внимание следующее в процессе разборки: 1) все элементы запечатывания, так же, как их части контакта, необходимо смазать. 2) пожалуйста проверяет осторожно до пользы всех элементов запечатывания повреждены ли они, как поверхностное повреждение. Если повреждено, пожалуйста замените новые одни. 3) направление губы типа губ упаковки (20) (, 25) и (33) должно быть последовательно с направлением показанным в диаграмме. 4) болты на жидкой крышке должны друг быть прикреплены противоположными углами для того чтобы достигнуть лучшего результата запечатывания. Устранять неисправность 1. Некоторая жидкость стекается от отверстия вытыхания вместе с воздушными потоками. Проверите диафрагму для любого повреждения. Проверите винт диафрагмы на разрыхленность 2. Воздушные пузыри в проверке выхода жидкой соединение всасывающей трубы для хороший герметизировать. Проверите связь между всасывающая труба и впускной коллектор для хороший герметизировать. Проверите колцеобразное уплотнение между впускным коллектором и жидкой проверкой крышки винты диафрагмы для проверки выхода насоса разрыхленности 3. низкой подача воздуха стабилизированы. Проверите вход/выход для любого засорения. Проверите соединители соединяя впускной коллектор для проверки закрепленности воздуха что шарик не вставлен к месту или шарик неправильно не усажен. 4. воздух дишаргед от отверстия вытыхания когда никакое ресипрокатинг движение. Проверите кольцо уплотнения (33) на сползенном клапане (35). Проверите кольцо уплотнения (20) на штанге пуска (45). Проверите кольцо уплотнения (25) на продольной рулевой штанга диафрагмы

