

|
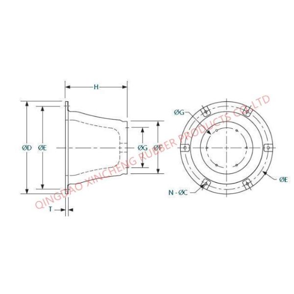
Модель (mm) | Спецификация | |||||||
| H | ØF | ØG | ØE | ØD | Размер болта | N-ØC | T | |
| CO500 | 500 | 425 | 325 | 675 | 750 | M24 | 4-30 | 25 |
| CO600 | 600 | 510 | 390 | 810 | 900 | M24 | 6-30 | 27 |
| CO700 | 700 | 595 | 455 | 945 | 1050 | M30 | 6-38 | 32 |
| CO800 | 800 | 680 | 520 | 1080 | 1200 | M36 | 6-38 | 32 |
| CO900 | 900 | 765 | 585 | 1215 | 1350 | M36 | 6-44 | 36 |
| CO1000 | 1000 | 850 | 650 | 1350 | 1500 | M42 | 3-56 | 45 |
| CO1100 | 1100 | 935 | 715 | 1485 | 1650 | M42 | 6-50 | 50 |
| CO1150 | 1150 | 998 | 750 | 1550 | 1725 | M42 | 6-56 | 52 |
| CO1200 | 1200 | 1020 | 780 | 1620 | 1800 | M42 | 8-50 | 54 |
| CO1300 | 1300 | 1105 | 845 | 1755 | 1950 | M48 | 8-60 | 59 |
| CO1400 | 1400 | 1190 | 930 | 1890 | 2100 | M48 | 8-60 | 66 |
| CO1600 | 1600 | 1360 | 1060 | 2160 | 2400 | M48 | 8-70 | 72 |
| CO1800 | 1800 | 1530 | 1190 | 2430 | 2700 | M56 | 10-76 | 78 |
ПРИМЕЧАНИЕ: Другие размеры резинового обвайзера также доступные следовать запросом клиентов.
Представление:
|
Модель (mm) | Представление | |||||||||||||||
| Расклассифицированное отклонение 70% обжатия | Максимальн Обжатие Отклонение 72% | |||||||||||||||
| FS | FH | FO | FL | FS | FH | FO | FL | |||||||||
| R | E | R | E | R | E | R | E | R | E | R | E | R | E | R | E | |
| CO500 | 342 | 80,6 | 273 | 64,3 | 204 | 47,9 | 168 | 37,7 | 388 | 91,8 | 317 | 71,4 | 237 | 51 | 197 | 41,8 |
| CO 600 | 490 | 160 | 390 | 130 | 289 | 95,9 | 230 | 76,5 | 533 | 164 | 438 | 132 | 325 | 106 | 263 | 86,7 |
| CO700 | 665 | 240 | 532 | 185 | 320 | 153 | 314 | 122 | 705 | 248 | 579 | 196 | 435 | 157 | 348 | 127 |
| CO800 | 879 | 375 | 720 | 300 | 512 | 229 | 410 | 183 | 949 | 388 | 850 | 300 | 588 | 257 | 437 | 212 |
| CO900 | 1099 | 504 | 879 | 407 | 648 | 312 | 518 | 260 | 1213 | 527 | 976 | 440 | 717 | 341 | 569 | 275 |
| CO1000 | 1366 | 682 | 1100 | 552 | 800 | 446 | 641 | 357 | 1537 | 750 | 1237 | 600 | 900 | 488 | 712 | 388 |
| CO1100 | 1459 | 847 | 1169 | 663 | 946 | 505 | 816 | 416 | 1601 | 882 | 1284 | 695 | 1039 | 538 | 850 | 441 |
| CO1150 | 1799 | 1050 | 1420 | 900 | 1059 | 679 | 847 | 543 | 2025 | 1125 | 1625 | 957 | 1175 | 731 | 937 | 600 |
| CO1200 | 1883 | 1115 | 1526 | 971 | 1128 | 719 | 908 | 571 | 2086 | 1172 | 1698 | 1018 | 1252 | 754 | 1005 | 599 |
| CO1300 | 2166 | 1617 | 1739 | 1336 | 1346 | 1064 | 1148 | 765 | 2358 | 1673 | 1938 | 1387 | 1567 | 1099 | 1224 | 816 |
| CO1400 | 2300 | 1720 | 1840 | 1376 | 1472 | 1101 | 1173 | 877 | 2556 | 1791 | 2045 | 1433 | 1636 | 1147 | 1304 | 914 |
| CO1600 | 3084 | 2467 | 2313 | 1974 | 1850 | 1579 | 1446 | 1259 | 3213 | 2570 | 2570 | 2056 | 2056 | 1645 | 1606 | 1311 |
| CO1800 | 3825 | 3609 | 3060 | 2887 | 2449 | 2309 | 1950 | 1840 | 4249 | 3760 | 3400 | 3007 | 2720 | 2406 | 2168 | 1918 |