

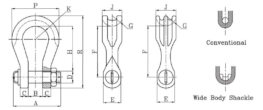
| | ВОЛЯ (тонны) | Размеры (mm) | Вес (kg) | ||||||||||
| Код продукта | |||||||||||||
| | B | C | D | E | G | H | J | K | P | R | |||
| | +/--6,35 | +/--0,5 | |||||||||||
| KWB-7 | 7 | 263 | 31,8 | 17,5 | 22,4 | 46,2 | 31,8 | 90,4 | 40,6 | 31,8 | 104 | 149 | 1,8 |
| KWB-12.5 | 12,5 | 137 | 42,9 | 23,4 | 28,7 | 60,5 | 34,8 | 118,0 | 54,1 | 41,4 | 140,0 | 194,0 | 4,5 |
| KWB-18 | 18 | 170,0 | 51,6 | 29,5 | 35,1 | 68,3 | 38,1 | 148,0 | 63,5 | 50,8 | 172,0 | 238,0 | 6,8 |
| KWB-30 | 30 | 195 | 60,2 | 35,1 | 41,4 | 88,9 | 44,5 | 176,0 | 79,5 | 63,5 | 216,0 | 289,0 | 11,3 |
| KWB-40 | 40 | 236,0 | 73,2 | 42,9 | 50,8 | 102,0 | 58,7 | 205,0 | 95,3 | 76,2 | 270,0 | 346,0 | 15,9 |
| KWB-55 | 55 | 263 | 82,6 | 50,8 | 57,2 | 118,0 | 66,8 | 238,0 | 114,0 | 88,9 | 311,0 | 397,0 | 32,2 |
| KWB-75 | 75 | 365,0 | 105,0 | 53,8 | 69,9 | 127,0 | 63,5 | 293,0 | 121,0 | 92,5 | 312,0 | 468,0 | 45,0 |
| KWB-125 | 125 | 419 | 130,0 | 65,0 | 80,0 | 145,0 | 80,0 | 365,0 | 150,0 | 110,0 | 380,0 | 575,0 | 73,0 |
| KWB-200 | 200 | 525,0 | 150,0 | 85,1 | 105,0 | 185,0 | 110,0 | 480,0 | 205,0 | 137,0 | 495,0 | 757,0 | 227,0 |
| KWB-300 | 300 | 615 | 187,0 | 102,0 | 133,0 | 235,0 | 137,0 | 600,0 | 264,0 | 160,0 | 594,0 | 946,0 | 368,0 |
| KWB-400 | 400 | 769,0 | 220,0 | 131,0 | 160,0 | 300,0 | 160,0 | 575,0 | 320,0 | 185,0 | 690,0 | 985,0 | 472,0 |
| KWB-500 | 500 | 847 | 250,0 | 146,0 | 180,0 | 340,0 | 170,0 | 630,0 | 340,0 | 225,0 | 790,0 | 1085,0 | 625,0 |
| KWB-600 | 600 | 915,0 | 275,0 | 158,0 | 200,0 | 384,0 | 185,0 | 700,0 | 370,0 | 247,0 | 865,0 | 1200,0 | 831,0 |
| KWB-700 | 700 | 988 | 300,0 | 167,0 | 215,0 | 376,0 | 200,0 | 735,0 | 400,0 | 270,0 | 940,0 | 1275,0 | 1109,0 |
| KWB-800 | 800 | 1058,0 | 325,0 | 185,0 | 230,0 | 420,0 | 210,0 | 750,0 | 420,0 | 277,0 | 975,0 | 1323,0 | 1368,0 |
| KWB-900 | 900 | 1111 | 350,0 | 198,0 | 250,0 | 430,0 | 220,0 | 757,0 | 440,0 | 293,0 | 1025,0 | 1373,0 | 1559,0 |
| KWB-1000 | 1000 | 1168,0 | 380,0 | 212,0 | 270,0 | 450,0 | 230,0 | 760,0 | 460,0 | 308,0 | 1075,0 | 1405,0 | 1824,0 |
| KWB-1250 | 1250 | 1266 | 430,0 | 232,0 | 300,0 | 533,0 | 265,0 | 930,0 | 530,0 | 323,0 | 1175,0 | 1660,0 | 2588,0 |
| KWB-1550 | 1550 | 1394,0 | 465,0 | 269,0 | 320,0 | 605,0 | 404,0 | 1075,0 | 580,0 | 338,0 | 1255,0 | 1865,0 | 3650,0 |

