Стандарт DIN 42539, AB-1000-42539 LV изолятор трансформаторного корпуса коричневый
Спецификации:

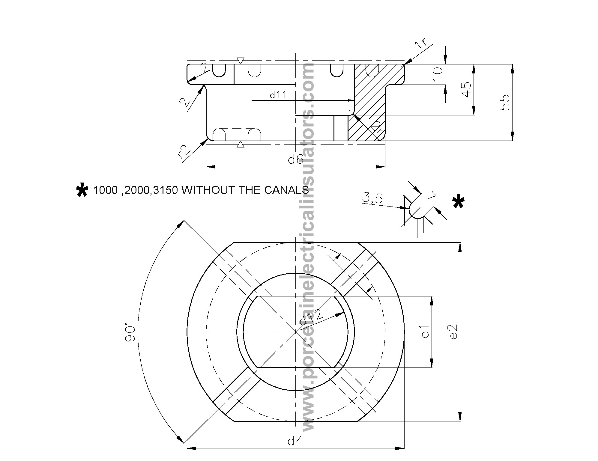
| Тип | d5 | d7 | d8 | d9 максимум | d10 мин | d 13 | r1 | Код No |
| A3-1000 | 110 | 65 | 67 | 53 | 32 | 90 | 1.5 | A1-1000-42539N |

| Тип | d4 | d6 e2 | d11 мин | d12 максимум | e1 мин | r2 | Код No |
| B 1000 | 110 | 90 | 57 | 46 | 37 | 4 | B1-1000-42539N |
AB-1000-42539 LV размеры трансформаторного корпуса, показанные выше, символы корпуса, показанные ниже:
Изоляционная часть использует высокоалюминиевый фарфор C120.
Поверхность фарфора покрыта слоем твердой и блестящей глазури, цвет может быть серым, коричневым или белым.
Полевые корпуса соответствуют стандарту DIN, DIN 42539, DIN40680
Применение:
Используется для нефтераспределительных трансформаторов
Конкурентное преимущество:
очень высокая механическая прочность для гораздо более длительного срока службы,
Глазура блестящая и гладкая, без дефектов.
Наиболее разумная цена поможет вашему продукту быть более конкурентоспособным.
если вам нужен целый комплект оборудования и связанных с ним кольцевых уплотнений и т.д. Мы тоже можем предложить.