Изоляторы линии электропередач фарфора 1KV/250A DIN стандартные/белый цвет
Описание:
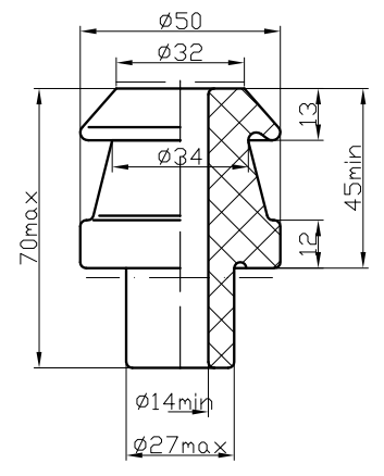
| DIN 42530 | Высота (mm) | Расстояние между электродами по поверхности диэлектрика (mm) | Частота силы выдерживает напряжение тока (kV) | Impluse молнии выдерживает напряжение тока (kV) | Вес (kg) |
| DT1/250A+B | 70+30 | 55 | 10 | 30 | 0.18+0.1 |
Изоляторы линии электропередач фарфора использованы обширно в электрическом приборе. Втулка фарфора прибор который позволяет один или несколько проводников пройти через раздел как стена или танк и изолирует проводников от его.


Применения:
Втулки использованы для типа распределительного трансформатора масла.
Конкурентные преимущества:
Мы предлагаем 2-3 лет качественной гарантии.
Втулки имеют превосходное представление должное к опыту много лет экспортируя.
Дизайн OEM доступный на требовании к или особенных технических данных клиента.