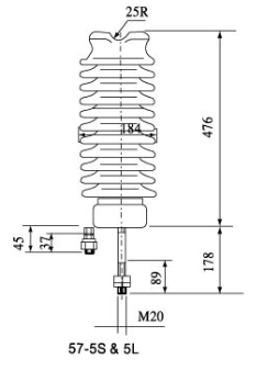
| 57-5 | 1145 | 438 | 12,5 | 160 | 130 | 265 | 44 |
Описания:
Линия изоляторы столба будет соответствовать во всех отношениях требованиям стандарта ANSI.
Части металла будут сделаны хорошего товарного сорта томительно-тягучего утюга, дуктильного утюга, стали, или алюминия. Железистые части, за исключением нержавеющей стали, будут гальванизированы в соответствии с ASTM A153.
Спецификации:
| КЛАСС ANSI | Расстояние между электродами по поверхности диэлектрика (mm) | Сухое разрядное расстояние (mm) | консольная прочность (kN) | Понизьте напряжение тока flashover частоты | Критическое напряжение тока flashover импульса | Напряжение тока теста, который нужно смолоть (kV) | |
| Сухой (kV) | Влажный (kV) | Позитв (kV) | |||||
| 57-1 | 356 | 165 | 12,5 | 70 | 50 | 120 | 15 |
| 57-2 | 559 | 241 | 12,5 | 100 | 70 | 160 | 22 |
| 57-3 | 737 | 311 | 12,5 | 125 | 95 | 200 | 30 |
| 57-4 | 1015 | 368 | 12,5 | 140 | 110 | 230 | 44 |
| 57-5 | 1145 | 438 | 12,5 | 160 | 130 | 265 | 44 |
| 57-6 | 1364 | 489 | 12,5 | 180 | 150 | 300 | 44 |


Конкурентные преимущества: