польза принтера 3D 2 мотор HB участка Nema14 униполярных PST35H226-6P12 автоматический Stepper
Особенности мотора prosteppers шагая
Точное управление положения
Передние/обратные вращение, перерыв и владение
Более длинная жизнь
Stepper мотор механическая структура, которой не нужно быть коммутированным щеткой и датчиком Hall, таким образом уменьшающ вероятность отказа и увеличивающ жизнь мотора. Жизнь шагая мотора
Общие спецификации
| Спецификация | Характеристики мотора | |
| Класс изоляции | Класс B130°C | |
| Точность угла шага | ±0.09° | |
| Выдержите напряжение тока | AC500V (одна минута) | |
| Сопротивление изоляции | 100MQ МИНИМАЛЬН 500VDC | |
| Повышение температуры | 80*C МАКС | |
| Радиальная игра | 0.025mm максимальное (Load450g) | |
| Осевая игра | 0.075mm максимальное (Load950g) | |
| Температура | -10~+50°C (не конденсировать) | |
| Оперативная среда | Влажность | 85%RH МАКСИМАЛЬНОЕ (не конденсирующ) |
| Средство | Отсутствие коррозионный газ или пыль. Не сразу в контакте с водой, маслом, etc. | |
| Окружающая среда хранения | Температура | 0~+50°C (не конденсируя |
| Влажность | 85%RH МАКСИМАЛЬНОЕ (не конденсирующ) | |
| Жизнь | 5000 часов МИНИМАЛЬНЫХ. | |
Радиальная нагрузка Load&Axial
| Размер мотора | Диаметр вала (mm) | Радиальная нагрузка (n) | Аксиальная нагрузка (n) | ||||||
| Расстояние от поверхности установки (mm) | |||||||||
| 5 | 10 | 15 | 20 | 25 | 30 | 35 | |||
| NEMA8 | 4 | 15 | 12 | — | 3 | ||||
| NEMA 11 | 5 | 50 | 35 | 25 | — | 5 | |||
| NEMA 14 | 5 | 50 | 35 | 25 | 20 | — | — | — | 10 |
| NEMA 17 | 5 | 50 | 35 | 25 | 20 | — | — | 15 | |
| NEMA 23 | 8 | 270 | 180 | 130 | 100 | 90 | — | 20 | |
| NEMA 24 | 8 | 200 | 135 | 100 | 82 | 58 | — | — | 30 |
| NEMA 34 | 14 | 620 | 550 | 480 | 390 | 340 | 290 | 260 | 60 |

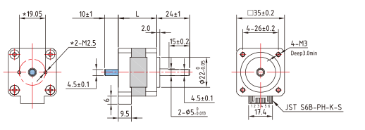
Детальная спецификация продукта 2 мотора участка Nema14mm униполярного гибридного stepper можно сослаться как ниже:
35mm тип NEMA14 униполярное 1.8゜ 2 участков стандартный
| Режим никакой | PST35H226-6P12 |
PST35H236-6P12
|
PST35H253-6P12 |
| Удержание вращающего момента | 0.07N.m | 0.12N.m | 0.25N.m |
| Родственное течение | 1.2A/Phase | 1.2A/Phase | 1.2A/Phase |
| Сопротивление | 3.5Ω /Phase | 3.1Ω /Phase | 4.8Ω /Phase |
| Индуктивность | 1.2MH/Phase | 1.6MH/Phase | 3.2MH/Phase |
| Инерция | 12g.cm2 | 20g.cm2 | 35g.cm2 |
| Вес | 0.15kgs | 0.21kgs | 0.24kgs |
| Длина | 53mm | 35mm | 53mm |
| Соединение | P | P | P |
Характеристики скорости/вращающего момента (значение ссылки)


Применение нашего stepper мотора:
Наши продукты имеют широкие применения в автоматизации работы офиса как принтеры, машинки, копировальные станки и факсы;
режимы автоматического управления в автомобиле, машинном оборудовании, ткани, банке, мониторе, медицинском инструменте, освещении этапа и промышленном
Коммуникационное устройство; бытовые приборы как кухонный прибор, нагреватель воды и швейная машина.
