NEMA23 1,8 мотор степени 57mm гибридный stepper мотор 2 участков шагая
Которые типы stepper мотора разделяет в?

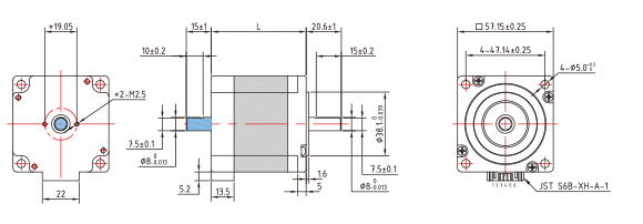
Описание мотора 57mm гибридного stepper
Сдвиг углов шагая мотора может быть точными контролируемый числом электрических ИМПов ульс. Точность угла можно контролировать в пределах ±0.09°without все приборы обратной связи.
Высокая надежность, легкое обслуживание. Структура точная, отсутствие потери ротора мотора шага. Материал ротора особенный, не вставил машину
Онлайн испытывать технических параметров для обеспечения параметров продукта непротиворечивости данных
Передние/обратные вращение, перерыв и владение
Переднее вращение /reverse шагая мотора может быть проконтролировано последовательностью входного сигнала контролируемых электрических ИМПов ульс.
Более длинная жизнь
Шагая мотор механическая структура, которой не нужно бытьизмененный электрическими щеткой или датчиком Hall, таким образом уменьшающ вероятность и увеличивающ жизнь мотора. Жизнь шагая мотора обычно определяемая к жизнь подшипника.
Спецификации
| Режим никакой | PST57H251-4P10 |
PST57H251-4P20
| PST57H251-4P30 |
| Удержание вращающего момента | 0.8N.m | ||
| Родственное течение | 1A/Phase | 2A/Phase | 3A/Phase |
| Сопротивление | 4,7 Ω/Phase | 1.25Ω /Phase | 0.57Ω/Phase |
| Индуктивность | 10.8MH/Phase | 2.7MH/Phase | 1.2MH/Phase |
| Инерция | 180g.cm2 | ||
| Вес | 0.52kgs | ||
| Длина | 45.5mm | ||
| Соединение | P | ||
| Режим никакой | PST57H245-4P10 |
PST57H245-4P20
| PST57H245-4P30 |
| Удержание вращающего момента | 0.8N.m | ||
| Родственное течение | 1A/Phase | 2A/Phase | 3A/Phase |
| Сопротивление | 4,7 Ω/Phase | 1.25Ω /Phase | 0.57Ω/Phase |
| Индуктивность | 10.8MH/Phase | 2.7MH/Phase | 1.2MH/Phase |
| Инерция | 180g.cm2 | ||
| Вес | 0.52kgs | ||
| Длина | 45.5mm | ||
| Соединение | P | ||
Компьютерные контролируемые stepper моторы тип системы позиционирования управления движением. Они типично цифров контролируемы как часть системы незамкнутой сети для пользы в удержании или располагать применений.
В поле лазеров и оптики они часто использованы в точности располагая оборудование как линейные приводы, линейные этапы, этапы вращения, угломеры, и держатели зеркала. Другие пользы в машинном оборудовании упаковки, и располагать этапов пилота клапана для жидких систем управления.
Коммерчески, stepper моторы использованы в дисководах, планшетных сканерах, принтерах компьютера, прокладчиках, торговых автоматах, блоках развертки изображения, приводах компакт-диска, умном освещении, объективах фотоаппарата, машинах CNC и, более недавно, в принтерах 3D.