Мотор кодировщика NEMA11 stepper гибрид 2 участков мотор 1,8 градусов stepper
Подсказки: Которые типы stepper мотора разделяет в?
Stepper мотор разделен в 3 типа: мотор постоянного магнита stepper (премьер-министр), мотор переменного нежелания stepper (VR) и гибридный stepper мотор (HB).

Мотор кодировщика stepper спецификаций
| Удержание вращающего момента | 0.08N.m |
| Родственное течение | 1A/Phase |
| Сопротивление | 5.7Ω/Phase |
| Индуктивность | 3.5MH/Phase |
| Инерция | ² 9g.cm |
| Индексируйте | √ |
| Выход | Differental |
| Разрешение кодировщика | 2000CPR |
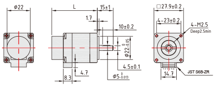
1. Вал Dia= 5mm
2. Угол шага: 1,8
3. Участок настоящее 1.2A
4. Сопротивление участка: 1 .5Ohm
5. Индуктивность участка: 2.8mH
6. Удержание вращающего момента: 40N.cm
7. Тормозя вращающий момент: 2.2N.cm
8. Инерция ротора: 54g.cm32;
9. Провод: 4 (голубой, зеленый, черный, красный)
10. Максимальное повышение температуры: 80" c (расклассифицированное настоящее, участок 2 дальше) 11. рабочей температуры: -20*C-+70 " c
11. Сопротивление изоляции: 100 MQ MIN., 500VDC
12. Радиальный зазор: 0.02Max, (450g-Load)
13. Зазор в осевом направлении: 0.08Max. (450g-Load)


Характер продукции мотора кодировщика stepper
Материальное качество: Пальто нержавеющая сталь 304, куртка воды высокая трубка алюминия отливки обжатия, красная медная катушка.
Передние/обратные вращение, перерыв и владение
Переднее вращение /reverse шагая мотора может быть проконтролировано последовательностью входного сигнала контролируемых электрических ИМПов ульс.
В случае замка шагая мотора (подпитана, там замотка мотора не внешняя электрическая команда ИМПа ульс), шагая мотор может все еще поддерживать некоторый выход вращающего момента.
Строго контролируйте продукцию частей для того чтобы улучшить качество частей
Автоматическая деятельность машины, стабилизированная автоматическая работа, высокая обрабатывая эффективность.
Механический размер 100% соотвествует, обеспечить что никакая большая ошибка в процессе пользы
Более длинная жизнь
Шагая мотор механическая структура, которой не нужно быть измененным электрическими щеткой или датчиком Hall, таким образом уменьшающ вероятность и увеличивающ жизнь мотора. Жизнь шагая мотора обычно определяемая к жизнь подшипника.
Компьютерные контролируемые stepper моторы тип системы позиционирования управления движением. Они типично цифров контролируемы как часть системы незамкнутой сети для пользы в удержании или располагать применений.
В поле лазеров и оптики они часто использованы в точности располагая оборудование как линейные приводы, линейные этапы, этапы вращения, угломеры, и держатели зеркала. Другие пользы в машинном оборудовании упаковки, и располагать этапов пилота клапана для жидких систем управления.
Коммерчески, stepper моторы использованы в дисководах, планшетных сканерах, принтерах компьютера, прокладчиках, торговых автоматах, блоках развертки изображения, приводах компакт-диска, умном освещении, объективах фотоаппарата, машинах CNC и, более недавно, в принтерах 3D.
Преимущество продукта
Основная структура шагая мотора
