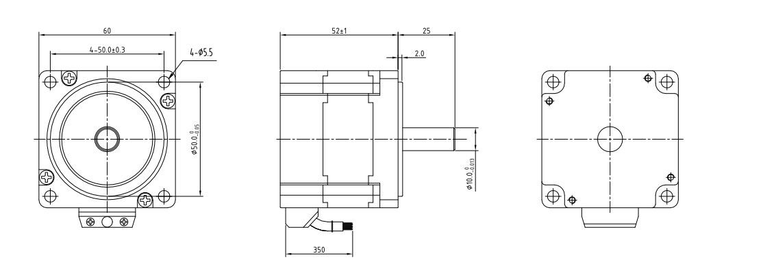
60 мотор mm BLDC 3 чернота участка 70W и серебряное для автоматической двери
Характер продукции
Безщеточный электрический двигатель DC (мотор BLDC или мотор BL), также известный как электронно коммутированный мотор (мотор ECM или EC) и одновременные моторы DC, одновременные моторы приведенные в действие электричеством направленного тока (DC) через инвертор или переключая электропитание которое производит электричество в форме переменного тока (AC) для того чтобы управлять каждым участком мотора через регулятор короткозамкнутого витка. Регулятор снабжает ИМПы ульс течения замотки мотора которые контролируют скорость и вращающий момент мотора. Эта система управления заменяет коммутант (щетки) используемый в много обычных электрических двигателей.


Спецификации безщеточного мотора
| Датчик | Датчик Hall |
| Ранг изоляции | Класс b (130 градусов) |
| Тариф IP | IP40 |
| Рабочая температура | -10 степень к +50 градусов (не конденсировать) |
| Работая влажность | RH Макс 85% (не конденсировать) |
| Оперативная среда |
Отсутствие коррозионный газ или пыль Отсутствие непосредственный контакт с водой, маслом, etc |
| Расклассифицированное электропитание | DC 36V |
| Сила требуемой производительности | 70W |
| Поляки нумеруют | 8 |
| Номер участка мотора | 3 |
| Расклассифицированная вращательная скорость | 4000RPM |
| Максимальная скорость | 5200RPM |
| Расклассифицированный вращающий момент | 0.16N.m |
| Расклассифицированное обматывая течение | 2.5A |
| Константа ±10% напряжения тока | 4,9 V/KRPM |
| Сопротивление ±10%@20% пэ-аш | Ом TBD |
| ℃ индуктивности ±30%@1KHZ 20 пэ-аш | TBD mH |
| Момент инерции | 240 g.cm2 |
| Масса мотора | 0.65kgs |


Применение безщеточных моторов:
Безщеточные моторы выполняют много функций первоначально выполненных почищенными щеткой моторами DC, но цена и сложность контроля предотвращают безщеточные моторы от замены почищенных щеткой моторов полной в самых недорогих областях. Однако, безщеточные моторы приходили преобладать много применений, особенно приборы как жесткие диски компьютера и игроки CD/DVD. Небольшие охлаждающие вентиляторы в радиотехнической аппаратуре приведены в действие исключительно безщеточными моторами. Они можно найти в бесшнуровых электрических инструментах где увеличенная эффективность мотора водит к более длинным периодам пользы прежде чем батарее нужно быть порученным. Низкоскоростной, моторы низкой мощности безщеточные использованы в turntables безредукторной передачи для показателей патефона.
Особенности нашего безщеточного мотора
Широкий диапазон силы, вращающего момента и скорости
Высокое effeciency, низкое повышение температуры,
Небольшой том
Высокий начиная вращающий момент
Плавный ход
Небольшая вибрация, малошумная

Как делает безщеточный мотор работа?
В почищенном щеткой моторе DC, ротор закручивает 180 градусов когда электрический ток бежится к armature. … В безщеточных моторах DC, постоянные магниты на роторе, и электромагниты на статоре. Компьютер после этого поручает электромагниты в статоре для того чтобы повернуть ротор полностью 360 градусов.
Как я знаю если мой безщеточный мотор плох?
Вы можете проверить непрерывность через руководства мотора, все probs с замотками показали бы вверх там. Если он не побежит, то когда iots закрепили вверх, напряжение тока batt проверки и тогдашнее checkvoltage на моторе esc водят - они должны быть реальны близко. Если напряжение тока разница, то может быть esc, если напряжение тока почти это же, то свой мотор prob.
Безщеточные моторы водоустойчивы?
2 типы безщеточных моторов-sensored и sensorless. Пока некоторые sensorless моторы обозначенные как водоустойчивый, сильно посоветовано что вы не не погрузите эти моторы в воду или даже подвергаете их к весьма влажным условиям если вы не подготовлены для и умеете как выполнить разборку и обслуживание мотора.
Обслуживание клиента
1. Перед знаком официальный контракт с нашим клиентом, мы поможем проанализировать и обеспечить профессиональное решение основанное на данных по проекта клиента и прийти вне с оптимальным решением.
2. Ваше дознание связанное с нашими продуктами или цена будут отвечены в течение 24 часов.
3. Keep сообщая наш производственный процесс клиента и помочь аранжировать качество проверяя в фабрике при необходимости.
4. Одногодичная гарантия к нашему дисплею и одна гарантия года к запасным частям.
5. Покупатель может послать техника к нашей фабрике бесплатно trainning перед доставкой.
6. Для необходимого отказа оборудования, мы аранжируем нашего директора инженера к местному месту для того чтобы помочь побеспокоить - стрельба, также обеспечивает онлайн службу технической поддержки на вся жизнь.