Кабели небольшого количества изготовленные на заказ с Лемо/Фишером/Хиросе/СЛР/БНК
Мы можем поставить индивидуальное обслуживание кабеля, даже 1пк в порядке!!
Изготовленный на заказ процесс является следующим:
Во первых, вы поставляете нас применение кабеля пути соединителей/кабельного соединения/длины кабеля вам.
Секондлы, наш инженер разработает диаграмму кабеля согласно вашим требованиям, пожалуйста видит некоторые примеры мы работали:
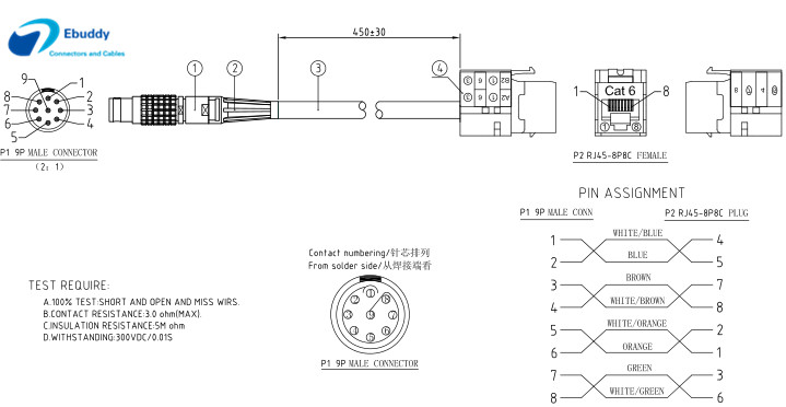
Лемо к кабелю ентернет РДЖ45:

Лемо к кабелю Д-тап/повертап:

Лемо к кабелю Хиросе:

В-третьих, после вашего подтверждения, мы начнем сделать кабель для вас!.
пожалуйста см. некоторый изготовленный на заказ кабель покрывает как последователи:




Почему вам нужен соединитель покупки совместимый?
1. соединитель лемо 100% совместимый,
2. Помощь вы сохраняете по крайней мере стоить 30%
3. Предложение сборки кабеля, помогает вам сохраняет время продукции.
вопросы и ответы
1.Хов для выбора соединителя вы хотите?
(добросердечно скажите нам размер номера модели соединителя лемо или соединителя и номер схемы вы хотите)
2.Хов, который нужно оплатить нас?
(Мы признаваем ПайПал, ТТ, условия оплаты етк вестунион)
3.Хов мы грузим товары?
(пр ДХЛ, ФЭДЭРАЛ ЭСПРЭСС, УПС етк вы можете выбрать ваше собственное срочное)
4.Иф и имеют мужчины или женский соединитель лемо, смог я использовать соединитель ЭБУДДИ вместо?
(Да, наши соединители полностью совместимы с соединителем лемо)
5.Хов о сроке поставки Эбудды?
(Обычно через 5-8 дней после денежного поступления)
Почему выберите Эбудды
1.Комплете совместимое с соединителем лемо/оду/фишер/хиросе с недорогим
2.РОХС, ИСО9001: 2008, стандарт УЛ
срок поставки 3.Шорт: 7-10 дней нормально
4.Факторы может произвести 5000 наборов/неделю
предложение 5.Самплес, который нужно проверить сперва