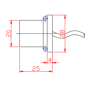
Ультразвуковой датчик измерителя прокачки со снабжением жилищем нержавеющей стали 1MHz и высотой 25mm
HJ-2825/1M
Рабочий параметр:
| Модель: | 1.0M |
| Частота центра: (КГц) | 1.0MHZ±5% |
| ширина (- 6dB) | 5% |
| Синтезируйте чувствительность: 0 dB=3 Vp-p; Термина: 8; Расстояние: 8cm | минута -35dB |
| Передайте угол (- 3dB) | 5° |
| Статическая емкость: | 1200PF±20% |
| Минимальный параллельный импеданс: | 150Ω±30% |
| Максимальный работая пик: ИМП ульс (круг обязаностей 2%) | <200V |
| Работая температура | 0~100℃ |
| Максимальное давление работы: | 3MPa |
| Расквартировывать материал: | Нержавеющая сталь |
| Ранг защиты: | IP68 |

Вся спецификация принятая типичное на 25℃