Тип печь ямы обслуживания электрической жары на обуглероживая высота 800mm Dia 600mm процесса
Введение компании
наша компания профессиональный поставщик печей обработки обслуживания жары как
тип печь коробки термической обработки, тип печь тележки термической обработки, тип печь ямы обслуживания жары,
обуглероживая печь термической обработки, печь обслуживания жары нитрирования, печь термической обработки ванны соли,
печь обслуживания жары отжига стального провода, etc.
Применение печи обслуживания жары печи обслуживания электрической жары
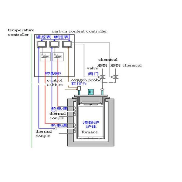
Печь газовой цементации новый Н тип энергосберегающая циклическая печь термической обработки. Она использована для термической обработки газовой цементации стальных частей машины, частей автомобиля. Своя максимальная работая температура 1050℃, и шесток оборудован с одной нержавеющей сталью закутывает танк.
Технические параметры электрической печи обслуживания жары печи термической обработки
| Нет. | Деталь | Технические параметры | | 1 | Расклассифицированная сила | 70KW±10% (регулируемый) | | 2 | Электропитание | 380V, 3P, 50Hz | | 3 | Расклассифицированная температура | 1050℃ | | 4 | Зона контроля температуры | 1-zone | | 5 | Работая размер | Диаметр | 600mm | | Глубина | 800mm | | 6 | Единообразие температуры | ±5℃ | | 7 | Точность контроля температуры | ±1℃ | | 8 | Метод колпака печи поднимаясь | Электрический подниматься | | 9 | Тугоплавкая подкладка | структура Все-волокна | | 10 | Метод топления | нагревать 4 сторон | | 11 | Метод контроля температуры | Управление PID, регулятор температуры SHIMAX; Безбумажный рекордер | | 12 | Обуглероживая метод контроля | регулятор автоматического углерода потенциальный | | 13 | Обеспечивая циркуляцию вентилятор | Мотор водяного охлаждения 2.2KW (количество дутья: 4800m3/h; воздушное давление: 1500Pa; вращаясь скорость: 1400r/min) | |
Объем поставки печи обслуживания электрической жары
печь термической обработки
| Никакой | Имя | Количество | Примечание | | 1 | Корпус печи | 1 набор | | | 2 | Нагревающий элемент | 1 набор | | | 3 | Механизм колпака печи поднимаясь | 1 набор | | | 4 | Вентилятор циркуляции | 1 набор | | | 5 | Система контроля температуры | 1set | | | 6 | Шкаф контроля | 1 набор | 1800X800X600mm | | 7 | Регулятор температуры SHIMAX | 1 набор | | | 8 | SCR | 3 части | | | 9 | Закутайте танк | 1 набор | Включая охлаждающий вентилятор воды 1set | | 10 | Компенсируя провод | 30 метров | | | 11 | Термальные пары | 2 части | Тип k | | 12 | Другие компоненты | 1 набор | Контактор, переключатель воздуха, ampmeter, вольтметр, thermorelay, переключатели, etc | | 13 | Система управления углерода | 1 набор | | | 14 | Электрическая диаграмма | 1 набор | | | 15 | Руководство по эксплуатации деятельности | 1 набор | | |
печь термической обработки
