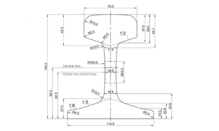
Тяжелый стальной рельс весом 43 кг в основном используется для транспортировки больших шахтных тоннелей и заводских цехов, кранового подъемного оборудования и прокладки специальных железнодорожных путей.
Технические характеристики
| тип | вес (кг/м) | материал | длина (м) |
| 43 кг | 44.653 | 50Мн/У71Мн | 12 м/12,5 м |
| высота рельса (мм) | ширина дна (мм) | ширина головки (мм) | толщина полотна (мм) |
| 140 | 114 | 70 | 14,5 |
Рисунок
