Зажимы рельса ГОСТ (ГОСУДАРСТВЕННЫЙ СТАНДАРТ) АРС-4 русские эластичные для Р65 и Р75 рельса, стандарт АПК стали К235
Техническая таблица параметра материала
| Материал | 60Си2МнА | 60Си2КрА | 55Си2Мн | 38Си7 |
| Химический состав (%) | К: 0.56-0.64, | К: 0.56-0.64, | К: 0.52-0.60, | К: 0.35-0.42, |
| Мн: 0.60-0.90, | Мн: 0.40-0.70, | Мн: 0.60-0.90, | Мн: 0.50-0.80, | |
| Си: 1.60-2.00, | Си: 1.40-1.80, | Си: 1.50-2.00, | Си: 1.50-1.80, | |
| Кр: ≤0.35, | Кр: 0.70-1.00 | Кр: ≤0.35 | ||
| П: ≤0.03, | П: ≤0.03, | П: ≤0.03, | П: ≤0.03, | |
| С: ≤0.03 | С: ≤0.03 | С: ≤0.03 | С: ≤0.03
|
| Твердость | 42-47ХРК | |||
| Срок службы при усталостных нагрузках | для Дя.18 циклы 3 миллионов без ломать | |||
| для Дя.20 циклы 5 миллионов без ломать | ||||
ШОУ ПРОДУКТА:

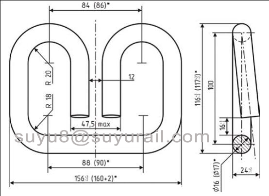
РИСОВАТЬ:

Процесс продукции
| Производственный процесс зажима | |
| 1 | сырье |
| 2 | резать |
| 3 | топление к куя температуре (950-1000 градусам Градусу цельсия) |
| 4 | формировать |
| 5 | твердеть |
| 6 | закалять под 350 градусами Градуса цельсия |
| 7 | осмотр |
| 8 | паковать |

Поверхностное покрытие

Пакет
Подобный эластичный зажим
| Такая же серия | СКЛ1 |
| СКЛ2 | |
| СКЛ3 | |
| СКЛ12 | |
| СКЛ14 | |
| Общая серия | Тип е |
| Тип Набла | |
| Тип КП/КПО | |
| Особенная серия | Тип ПР |
| Тип Дееник | |
| Русский тип | |
| Зажим сал | |
| Зажим замка датчика |
Для больше информации, пожалуйста свяжитесь я!