Сверхиммунизированный прерыватель остаточного тока типа B
1Генерал.
1.1 Функция
VKL11B RCCB и VKL11B+ RCCB - это внешний вид, компактная структура, хорошая надежность и высокая безопасность.
Прерыватели остаточного тока типа B подходят для бытовых и промышленных применений, где используются частотные инверторы, фотоэлектрические установки, зарядные устройства для электромобилей и аналогичные элементы.Тип B обеспечивает чувствительность к остаточному AC, пульсирующий и плавный постоянный ток, вместе с высокими частотами до 1 кГц.
Остатковые токовые выключатели типа B+ соответствуют полной характеристике типа B, с дополнительными значениями срабатывания, определенными до 20 КГц и ниже 420 мА.
Они основаны на электронной технологии, которая приносит преимущества более точного измерения остаточного тока и, как следствие, сокращения нежелательных сбоев.Эти устройства также не страдают с намагничиванием устройства отключения.
1.2 Отбор
Форма обнаруживаемой волны
Тип B 
Установка заряда обеспечивается для синусоидных остаточных токов переменного тока, импульсных остаточных токов постоянного тока, чередующихся остаточных синусоидных токов до 1000 Гц,для пульсирующих прямых остаточных токов и для гладких прямых остаточных токов, применяется внезапно или постепенно увеличивается.
Тип B+
Удовлетворить полную функцию типа B, с дополнительными значениями срабатывания определены до 20KHZ и они ниже 420mA
Чувствительность к отключению
30 мА - дополнительная защита от прямого контакта.
100mA - координируется с земной системой согласно формуле IΔn<50/R, обеспечивая защиту от косвенных контактов;
300mA - защита от косвенных контактов, а также от пожароопасности.
Сбиваниевремя
МгновенныйОн обеспечивает мгновенное срабатывание (без задержки).
Краткое время задержки
Селективный (срочная задержка)
1.3 Одобрения и сертификаты

RCCBОставшийся ток отключателя
2. Технические параметры
| Тип | В. | B+ | ||
| Электрические | ||||
| Проектирование согласно | IEC/EN 62423, IEC/EN 61008-1, OVE E8601 | |||
| VDE 0664-400 | ||||
| Текущие отметки испытания, напечатанные на устройстве | ||||
| Номинальное напряжение Un |
2P: 230/240В переменного тока 4P: 400/415В переменного тока |
|||
| Номинальная частота fn | 50/60 Гц | |||
| Режим работы |
"Функциональность типа: независимо от напряжения Функциональность типа B и B+: напряженнозависимая" |
|||
| Электронное рабочее напряжение | 50 264 Вт переменного тока | |||
| Испытательная схема диапазона напряжения |
2P: 184 264 Вт переменной 4P: 184 440 Вт переменного тока |
|||
| Номинальный ток В | 16A, 25A, 32A, 40A, 63A, 80A, 100A | |||
|
Номинальное остаточное работающий I△n тока |
Мгновенный | 30mA, 100mA, 300mA, 500mA | 30mA, 100mA, 300mA | |
| К-короткое время задержки (G, ASi) | 30mA, 100mA, 300mA, 500mA | 30mA, 100mA, 300mA | ||
| S- селективный | 100mA, 300mA, 500mA | 100 мА, 300 мА | ||
| Чувствительность | Переменный, импульсный и плавный постоянный ток | |||
| Высокая частота до 1 кГц | Высокая частота до 20 кГц | |||
| Номинальное изоляционное напряжение Ui | 500 В | |||
| Номинальный импульс выдерживает напряжение Uimp | 4 кВ (1,2/50μs) | |||
| Номинальный условный короткий ток Inc | 10 кА | |||
| Номинальная пропускная способность Im | 1500 А | |||
| Пиковое сопротивление току |
3 кА (8/20 мс) предотвращение перенапряжения 5 kA (8/20 μs) не подвержены перенапряжению для типа S |
|||
| Электрическая изоляция | > 4 мм контактного пространства | |||
|
Максимальный резервный предохранитель В = 16-100A |
Защита от короткого тока и перегрузки 100 A gG/gL |
|||
|
Выносливость (циклы работы) |
электрические компоненты | ≥ 2000 | ||
| механические компоненты | ≥ 4000 | |||
| МеханикаЯ... | ||||
| Степень защиты | IP20 | |||
| Верхний и нижний терминалы | открытые монтированные / подъемные терминалы | |||
| Мощность терминала | 1 - 25 мм2 | |||
| Терминальный крутящий момент | 2 - 2,5 Нм | |||
| Толщина штанги | 0.8 - 2 мм | |||
| Рабочая температура | -25°C... +55°C | |||
| Температура хранения и транспорта | -40°C... +70°C | |||
| Устойчивость к климатическим условиям | IEC/EN 61008 | |||
| Указатель позиции контакта | Механический красный / зеленый | |||
| Возможность поставки | верхний или нижний | |||
| Положение крепления | любой | |||
3Особые особенности использования универсального SIQUENCE токочувствительного прерывателя остаточного тока (тип B и тип B+)
3.1 Применение
Типичные приложения, которые уязвимы к плавным остаточным токам постоянного тока:
- преобразователи частот с трехфазным соединением
- Медицинское оборудование, такое как рентгеновское оборудование или компьютерная томография
- фотоэлектрические или бесперебойные системы
- точки соединения (стенные ящики, зарядные станции) для электромобилей
- Контроллеры лифтов
- Отапливание трубопроводов
- Установка испытаний в лабораториях
- строительные площадки в соответствии с информационной информацией BGI 608 (Электронное оборудование на строительных площадках)
- зарядные станции для вилочных погрузчиков на аккумулятор
- Краны всех видов
- Смесительные установки, если соответствующие нагрузки подключены
- станки-инструменты с переменной скоростью, такие как фрезерные и шлифовальные станки или крутящие станки
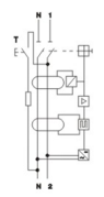
4Диаграммы проводки


5Характеристики отключения
Тип B

6Д.Размеры (мм)


RCCB TYPE B - это RCCB с высокой устойчивостью (остаточный токовой выключатель) с режимом работы, зависящим от напряжения.Это супер-иммунизированный RCCB, предназначенный для защиты людей от ударов электрическим током или травм из-за утечки земли.Имеет номинальный остаточный рабочий ток I△n 30mA, 100mA, 300mA, 500mA ((Мгновенный и K-короткое время задержки (G, ASi)); 100mA, 300mA, 500mA (100mA, 300mA, 500mA) и номинальный ток In 16A, 25A,32A, 40A, 63A, 80A, 100A. Он имеет электрическую выносливость ≥ 2000 и широко используется в жилых, коммерческих и промышленных приложениях.RCCB TYPE B обеспечивает высокий уровень безопасности в любой электрической установкеОн обеспечивает превосходную защиту от электрического удара и является идеальным защитным устройством для безопасности человека.
VKL11 RCCB TYPE B от HAROK специально разработан для требований к высокой устойчивости.и стандартов OVE E8601Этот RCCB работает на основе напряжения зависимого режима, и он имеет номинальную способность создания и разрыва 1500A, а также номинальный остаточный рабочий ток 30mA, 100mA, 300mA,500mA (Мгновенное и К-короткое время задержки (G), ASi) и 100mA, 300mA, 500mA (100mA, 300mA, 500mA).
| Стандартный | IEC/EN 62423, IEC/EN 61008-1, OVE E8601 |
| Номинальный ток В | 16A, 25A, 32A, 40A, 63A, 80A, 100A |
| Степень защиты | IP20 |
| Номинальный остаточный рабочий ток I△n | 30mA, 100mA, 300mA, 500mA ((Мгновенное и K-краткое время задержки (G, ASi)); 100mA, 300mA, 500mA (100mA, 300mA, 500mA) |
| Номинальная пропускная способность Im | 1500 А |
| Номинальная частота | 50/60 Гц |
| Номинальное изоляционное напряжение Ui | 500 В |
| Номинальный импульс выдерживает напряжение Uimp | 4 КВ (1,2/50μs) |
| Наименование продукта | РСКБ типа B |
| Толщина штанги | 0.8 - 2 мм |
Бренд: HAROK
Номер модели: VKL11
Место происхождения: КНР
Наименование продукта: RCCB TYPE B
Чувствительность: чередующиеся, импульсные и плавные прямые токи (высокая частота до 1 КГц)
Номинальное изоляционное напряжение Ui: 500 В
Номинальная частота: 50/60 Гц
Номинальный импульс выдерживает напряжение Uimp: 4 KV (1,2/50μs)
HAROK VKL11 Высокий иммунитет RCCB TYPE B обеспечивает превосходный иммунитет от чередования,импульсные и плавные постоянные токи (высокая частота до 1 КГц) с номинальным изоляционным напряжением 500 В и номинальным импульсным напряжением 4 КВ, номинальная частота 50/60 Гц.
Опаковка и перевозка РСКБ типа B:
RCCB TYPE B надежно упаковывается в картонную коробку, чтобы предотвратить повреждение во время доставки.Коробка также содержит все необходимые компоненты для сборкиЗатем коробка запечатывается герметичной печатью для защиты содержимого.
После этого RCCB TYPE B отправляется через авторитетную курьерскую службу.его следует проверить на наличие видимых повреждений или подделкиЕсли есть какие-либо повреждения, немедленно обратитесь в курьерскую службу, чтобы подать иск.