VА.Л 003Прерыватель остаточного тока с защитой от перенапряжения (RCBO)
(МКБ размера 1 модуль с переключенным нейтральным)
1Генерал.
VА.Л 003выключатели с остаточным током подходят для линий с переменным током 50/60 Гц, номинальным напряжением 240 В, 120 В, номинальным током до 40 А и для защиты от остаточного тока,защита от перегрузки и короткого замыканияКогда возникает личный электрический удар или ток утечки цепи превышает предопределенное значение,остаточный ток работающий выключатель может автоматически отключить питание в течение очень короткого периода времени, чтобы обеспечить безопасность людей и электрооборудования. Прерыватель остаточного тока может использоваться для нечастого преобразования линий в нормальных условиях,и применяется в таких случаях, как промышленные, и коммерческих, многоэтажных зданий и жилых домов.
2.Технические параметры
2.1 Характерные кривые обморок приведены ниже.

2.2 Основные параметры
| Стандартный | IEC/EN61009-1 | |
| Основные характеристики | Модель No. | VAL003 |
| Номинальный ток В | 5A, 6A, 10A, 13A, 15A, 16A, 20A, 25A, 30A, 32A, 35A, 40A | |
| Классификация по типам мгновенного срабатывания | Тип B: (3 ~ 5) В, тип C: (5 ~ 10) В | |
| Поляки | 1P + N | |
| Тип (форма волны обнаруженной утечки земли) | Тип B | |
| Механические характеристики | Номинальное напряжение Ue | AC240V, AC120V |
| Размер кадра номинальный ток В | 40А | |
| Номинальный остаточный рабочий ток I△n | 6mA, 10mA, 30mA, 100mA, 300mA | |
| Номинальный остаточный нерабочий ток I△нет | 3mA, 5mA, 15mA, 50mA, 150mA | |
| Номинальная мощность прерывания короткого замыкания Icn | 240В: 4500А, 6000А, 10000А 120В: 15000А | |
|
Наименованное остаточное производство и пропускная способность I△m |
500 А | |
| Электрическая продолжительность жизни | 2,000 | |
| Продолжительность службы | 2,000 | |
| Номинальный импульс выдерживает напряжение Uimp | 4000 В | |
| Соединение | Сверху и снизу, снизу и сверху |
2.3 Время прерывания остаточного тока
| В (А) | I△n (A) | Время перерыва, когда остаточный ток принимает следующее значение (а): | ||||
| I△n | 2I△n | 5I△n | 5А, 10А, 20А, 50А, 100А, 200А, 500А ((а) | I△t(b) | ||
| 6 ~ 40 | 0.01, 0.03, 0.1, 0.3 | 0.1 | 0.05 | 0.04 | 0.04 | 0.04 |
|
a. Для испытаний 5A, 10A, 20A, 50A, 100A, 200A и 500A значения тока, превышающие нижнюю границу мгновенного отключения сверхтока, не испытываются. B. Испытания проводятся, когда I△t равен нижнему предельному току мгновенного запуска сверхтока типа B и типа C. |
||||||
2.4 Характеристики защиты от перенапряжения
| Нет, нет, нет. | Номинальный ток В (А) | Начальное состояние | Испытательный ток (A) | Указанное время (т) | Ожидаемый результат | Примечания |
| а) | 6 ~ 40 | Холодный состояние | 1.13 В | t ≥ 1 час | Не подвергается триппингу | |
| b | Непосредственно после последовательности a | 1.45 в | t < 1h | Сбивание | Увеличить до указанного тока в течение 5 с после пункта испытания a. | |
| c | Холодный состояние | 2.55 в | 1s < t < 60s | Сбивание | ||
| d | Холодный состояние | 3 В | t ≥ 0,1 с | Не подвергается триппингу | Тип B | |
| 5 В | t < 0,1 с | Сбивание | ||||
| 5 В | t ≥ 0,1 с | Не подвергается триппингу | Тип С | |||
| 10 В | t < 0,1 с | Сбивание |
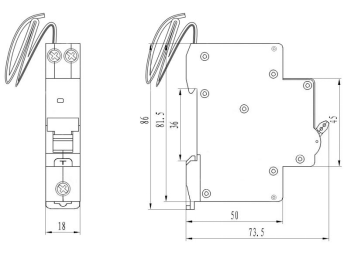
3.Размеры контура и установки (мм)

RCBO (Residual Current Operated Circuit Breaker) тип B - это надежный и долговечный выключатель для защиты людей и имущества от ударов током и пожаров.Он классифицируется по типу мгновенного срабатыванияОн доступен в различных номинальных токах, от 6А до 50А, а размер рамы номинального тока Inm составляет 50A.Он предназначен для простой установки.Этот RCBO типа B является идеальным выбором для обеспечения безопасности во время электрических операций.
RCBO Type B от HAROK - это остаточный электрический выключатель, который идеально подходит для всех ваших потребностей.4P VRL11 VAL003 VKL003 VDL006 VRL01 VRL02 VRL03 VK007LE 1P-4PС номинальным током 6A, 10A, 16A, 20A, 25A, 32A, 40A и 50A, и полюсами 1P + N,Он может быть использован для самых разных проектов.Он поставляется с подключением сверху и снизу, снизу и сверху, и номинальным остаточным рабочим током 0,01A, 0,03A, 0,1A и 0,3A.
Независимо от того, являетесь ли вы промышленным электриком, жилым подрядчиком или мастером по изготовлению деталей, RCBO типа B от HAROK является идеальным выключателем для вас.Вы можете быть уверены, что ваши проекты будут сделаны для длительногоТак что не ждите больше, и получите свои руки на HAROK RCBO Type B сегодня!
| Недвижимость | Стоимость |
|---|---|
| Тип | Тип B |
| Номинальный остаточный рабочий ток | 0.01A, 0.03A, 0.1A, 0.3A |
| Номинальное напряжение | AC240V |
| Номинальный остаточный нерабочий ток | 0.005A, 0.015A, 0.05A, 0.15A |
| Номинальный импульс выдерживает напряжение Uimp | 6000 В |
| Соединение | Сверху и снизу, снизу и вверх |
| Стандартный | IEC/EN 61009-1, AS/NZS 61009.1 |
| Классификация по типам мгновенного срабатывания | Тип B: (3 ~ 5) В, тип C: (5 ~ 10) В |
| Наименование продукта | РСБО типа B |
| Номинальная остаточная пропускная способность I△m | 500 А |
RCBO типа B от HAROK является остаточным токовым выключателем, который гарантирует высокую пропускную способность и надежную работу.1 стандартов и имеет номинальный остаточный нерабочий ток 0.005A, 0.015A, 0.05A, 0.15A с электрическим сроком службы 2000.
RCBO типа B - это надежное и универсальное устройство защиты цепей, предназначенное для использования в бытовых и легких коммерческих установках.Мы понимаем важность предоставления всесторонней технической поддержки и обслуживания для наших продуктов, и мы стремимся предоставить нашим клиентам наилучшее возможное обслуживание.
Мы предоставляем техническую поддержку нашим клиентам для всех аспектов их продукта RCBO типа B, включая установку, устранение неполадок и обслуживание.Наша команда технической поддержки доступна 24 часа в сутки, чтобы ответить на любые вопросы или вопросы.Кроме того, на нашем сайте есть полезные ресурсы, такие как руководства по установке, спецификации продукции и технические документы.
Мы предлагаем комплексную программу обслуживания для продуктов RCBO типа B. Наши услуги включают ремонт и замену неисправных компонентов,а также регулярное техническое обслуживание для обеспечения правильного функционирования устройства. Если вам нужна помощь с вашим продуктом RCBO типа B, наша сервисная команда готова помочь. Мы также предлагаем программы расширенной гарантии, чтобы обеспечить дополнительное спокойствие.
Упаковка и перевозка для RCBO типа B:
Продукты RCBO типа B упаковываются в картонные коробки с пузырьковой обмочкой для амортизации.Каждая коробка может содержать до 10 штук продуктов RCBO типа B.
Для международных перевозок мы используем услуги DHL Express или FedEx, чтобы обеспечить быструю и безопасную доставку.У нас есть фиксированная ставка доставки в размере 20 долларов для заказов в США и 60 долларов для международных заказов.
A1: HAROK RCBO Type B - это выключатель остаточного тока с защитой от перетока, который имеет несколько типов, таких как VRL22 2P,4P VRL11 VAL003 VKL003 VDL006 VRL01 VRL02 VRL03 VK007LE 1P-4P,и производится в Китае..
A2: HAROK RCBO Type B используется в основном в промышленных и коммерческих системах распределения электроэнергии.
A3: HAROK RCBO типа B имеет отличную способность к разрыву короткого замыкания, высокую чувствительность к перегрузке и защиту от короткого замыкания и оснащен ручным переключателем для удобного использования.
A4: HAROK RCBO типа B применяется для цепей переменного тока 50/60 Гц, 240 В / 415 В.
A5: HAROK RCBO Type B был сертифицирован CCC, CE, CB и RoHS.