Серия ZH06KVE-TFM-526 компрессоров ZH переченя для применений теплового насоса
1, характер продукции:
| Хладоагент: | R134a R410A R407C |
| Соединяясь размер: | 1/2» |
| Зона применения: | Тепловой насос, топление |
| Тип дизайна: | Герметичный |
| Модельная серия: | ZH |
| Ряд силы (HP): | 2-4 |
| Электропитание: | 400 v |
| Условие статьи: | Новый |
| Информация: | Маслонаполненный |
| Грузя вес: | 29,50 Kg |
| Размеры (высота × ширины × длины): | 24,20 см × 38,60 × 24,20 |
| Изготовитель: | Copeland Emerson |
| Модель: | ZH06KVE-TFM524 |
| Нагревая условие силы: | R407C, конденсируя температура +50 c |
| Сила (HP): | 2,5 |
| Максимальный. Начало настоящее (a): | 4,4 |
| dbA @ 1m: | 62 |
| Том транспортировать и всасывания (m3): | 5,8 |
| Тип компрессора: | Перечень |
| Всасывание (дюйм): | 3/4 |
| Разрядка (дюйм): | 1/2 |

2.Features
Соответствие переченя Copeland осевое и радиальное для высокой надежности
Высокая эффективность и увеличенная теплоемкость
Температура прилива для всех применений
Низкий звук и низкий уровень вибрации
Тандемная комбинация для главной сезонной эффективности
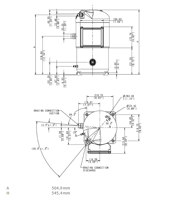
3.Drawings

Компрессоры Copeland Scroll™ для топления конструированы для оптимальных деятельности и надежности тепловых насосов соединенных с hydronic системами распределения для топления космоса и/или для продукции отечественной горячей воды. Эти применения требуют достижения конденсируя температур как высоких как 65°C с высокой эффективностью и надежностью над широким рабочим диапазоном. Особенности как паяемые подходящие соединения и особенные версии для tandemization компрессоров приспосабливать требования насосных систем теплового насоса.
В сводке, избежать чрезмерных температур газа разрядки во время нормального функционирования, необходимо позаботиться для обеспечения что конверт компрессора уважается по отоношению к испаряться и конденсируя температуры и по отоношению к перегревают. Избегает чрезмерных температур газа разрядки во время анормалной деятельности, предохранение от температуры газа разрядки необходимо, что.
4, наши основные линии компрессора являются следующими:
· компрессоры,
· Компрессоры переченя Copeland: CR, VR, ZB, ZR, ZF, СЕРИЯ ZP
· Компрессоры Copeland Полу-герметичные: DL, D2, D4, D6, СЕРИЯ D8
· компрессоры совершителя: SM, SZ, грузя и регулируя СЕРИЮ
· коммерчески компрессоры: FR, СЕРИЯ SC
· Компрессоры поршеня Maneurop: MT, MTZ, NTZ, СЕРИЯ MPZ
· Компрессор Secop, компрессор несущей (Carlyle)
· Компрессор Хитачи, компрессор Daikin, компрессор Sanyo
·Компрессор Tecumseh, компрессор LG, компрессор Мицубиси,
·Компрессор Тошиба, компрессор Panasonic, компрессор Embraci Aspera