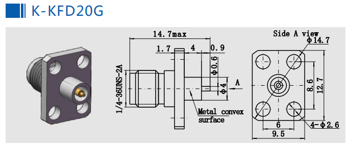
2 отверстия служат фланцем коаксиловый разъем 2.92mm RF женщины серии SMK прямой
Типу k также вызывают 2,92 типом соединителем, эту серию продуктов соединители обыкновенно используемые волны миллиметра, с частотой до 40 GHz, можно использовать с серией SMA и продукты 3,5 серий заменимы и принимают интерфейс воздуха. С небольшим размером, легковесом, частотой коротковолнового диапазона пользы, надежным соединением, etc.
Особенности:
Чертеж плана 2 отверстий служит фланцем коаксиловый разъем 2.92mm RF женщины серии SMK прямой: (mm)

| Номер модели | Описание |
| K-KFD20G | отверстия 2.92mm женские 4 служат фланцем нержавеющая сталь соединителя rf |
Спецификация:
| Импеданс | 50 Ω |
| Диапазон изменения частот | DC - 40 GHz |
| Оценка напряжения тока | 250 VRMS (Максимальн Уровень моря) |
| Диэлектрическое выдерживая напряжение тока | 750 VRMS (Максимальн Уровень моря) |
| Коэффициент напряжения стоячей волны VSWR |
≤ 1,05 + 0.005f |
| Контактное сопротивление | MΩ ≤ 3,0 центрального проводника |
| Наружное mΩ ≤ 2,0 проводника | |
| Сопротивление изоляции | ≥ 5000 MΩ |
| Внутренний проводник | Мужская штепсельная вилка: Латунный, покрытое золото |
| Женский Джек: BeCu, покрытое золото | |
| Жизнерадостный контакт | BeCu, покрытый никель |
| Тело/раковина/снабжение жилищем | Латунный, покрытое золото Запассивированная нержавеющая сталь, |
| Изолятор | PEI |
| Набивка | Силиконовая резина |
| Температура | -55℃ | +125℃ |
| Стойкость | 500 циклов |
| Вращающий момент | 0,79 | 1,13 N.m |
Другой 2.92mm мужской женский соединитель RF
|
Номер детали
|
Описание
|
|
K-KFD3
|
тип коаксиловый разъем 2.92mm k женский RF
|
|
K-KFD42
|
Тип коаксиловый разъем нержавеющей стали 2.92mm k женский RF
|
|
K-KFD62G
|
тип коаксиловый разъем 2.92mm k женский RF
|
|
K-JFD9G |
Тип коаксиловый разъем нержавеющей стали 2.92mm RF мужчины k
|
1.

2.

3.

4.

Применение:
| Сеть | Satcom |
| Компьютер/LANs | Компьютер/LANs |
| Мобильная телефонная связь | Инструментирование |
| Базовая станция | Мобильная телефонная связь |
| На открытом воздухе объекты | Микроволна радиолокатора |
| Радиосвязи | Инструментирование |
| Автомобильный | Поскачите линия для присоединения |
| Основной объект | Радио, система ТВ воздушная |