Микроволновое вращающееся соединение является важной частью для обеспечения нормальной работы микроволновой вращающейся антенны.микроволновой сигнал передается от передатчика к антенне, или от антенны к приемнику, азимут и поиск питчинга реализуется.
Наша компания может проектировать и производить различные одноканальные коаксиальные вращающиеся соединения, многоканальные вращающиеся соединения, MMW вращающиеся соединения, продукт с характеристиками небольшой стоячей волны, низкой потери,малые фазовые колебания, высокая интеграция и т. д., широко используется в микроволновых устройствах радиолокации, навигации, наблюдения и т. д.

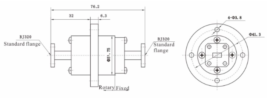
| Рабочая температура | -40-+70°C |
| Частота | 32-39 ГГц |
| Вход и выход | BJ320(WR28)/BJ320(WR28) |
| VSWR | ≤ 1.5 |
| Колебания VSWR | 0.1 |
| Потеря вставки | 0.5 дБ |
| Колебания потери вставки | 0.1 дБ |
| Скорость | 10 оборотов в минуту |
Подробный рисунок


Каталог продукции
| РЧ-адаптер |
| MCX/MMCX RF соединитель |
| Герметические уплотнители стекло-металл |
| Коннектор серии J30J |
| Микроволновые вращающиеся соединения |
| Водопровод к коаксиальному адаптеру |
| РЧ-коннектор SMA/SSMA |
| SMP/SSMP RF соединитель |
| TNC RF соединитель |
| РЧ-коннектор типа N |
| Сборки радиочастотных кабелей |
| BNC RF соединитель |
Примечание:
У нас более 10 000 видовКоннектор, если вы не нашли используемый соединитель, пожалуйста, свяжитесь с нами с подробной информацией.Это....
Спецификация