Частотаадаптеры с волноводом на коаксовыеобрабатываетсяЭлитная электронная(ELT) покрытие5.4 ГГц-110 ГГцС высокой надежностью, небольшими размерами и отличными характеристиками, он широко используется в микроволновом и миллиметровом оборудовании.стандартные прямоугольные и двойные волноводы, и нестандартные волноводы могут быть настроены в соответствии с требованиями пользователя.N, TNC, SMA, SMP, 3,5 мм, K (2,92 мм), 2,4 мм, 1,85 мм, 1,0 мм и микрополоски. Волноводные коаксиальные адаптеры делятся на два типа: конечный запуск и прямоугольный запуск от ориентации интерфейса.конструкция высокой мощности.
СпецификацияN/BJ100-KF:
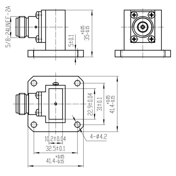
| Наименование продукта | WR90 Водопровод к коаксиальным адаптерам SMA |
| Модель No. | N/BJ140-KF |
| Коаксиальный тип | N |
| Размер волновода | WR90 |
| Форма тела | Прямой угол |
| Диапазон частот | 8.2-15 ГГц |
| Импеданс SMA | 50 Омм |
| VSWR | 1.30 |


СписокВодопровод к N коаксиальным адаптерам:
| Номер модели | Описание | Примечание |
| N/BJ100-KF | WR90 ((BJ100) к N женские конечные адаптеры для запуска | BJ100=WR90 |
| N/BJ120-KF | WR75 ((BJ120) до N женские конечные адаптеры пуска | BJ120=WR75 |
| N/BJ140-KF1 | WR62(BJ140) к N женские адаптеры прямоугольного действия | BJ140=WR62 |
Ссылки на стандарты волноводов
| Китайские стандарты | Международные стандарты | Диапазон частот (GHz) |
| BJ84 | WR112 | 6.57-9.99 |
| BJ100 | WR90 | 8.20 - 12.5 |
| BJ120 | WR75 | 9.84 ~ 15.0 |
| BJ140 | WR62 | 11.9 ~ 18.0 |
| BJ180 | WR51 | 14.5 ~ 22.0 |
| BJ220 | WR42 | 17.6 ~ 26.7 |
| BJ260 | WR34 | 21.7~33.0 |
| BJ320 | WR28 | 26.3 ~ 40.0 |
| BJ400 | WR22 | 32.9~50.1 |
| BJ500 | WR18 | 39.2-59.6 |
| BJ620 | WR14 | 49.8-75.8 |
| BJ740 | WR12 | 60.5-91.9 |
| BJ900 | WR10 | 73.8~112 |
Водопровод к коаксовому адаптеру-ELT 2024.pdf
Примечание:
У нас более 1000 видовВодопровод к коаксиальным адаптерамдля выбора, если адаптер, который вы используете, не найден, пожалуйста, свяжитесь с нами с вашими данными.Размер ODM приветствуется.