
170M3394 Специальные предохранители 200A 1250V 1*BKN/75 AR CU
| Итон | |
| Категория продукции: | Специальные предохранители |
| RoHS: | Подробная информация |
| 170M Тип KN | |
| Специальные предохранители | |
| Свинцовые предохранители | |
| 200 А | |
| 690 VAC | |
| Стенд | |
| Свернуть | |
| Насыщенные | |
| Марка: | Буссман / Итон |
| Тип продукции: | Высокоскоростной квадратный корпус |
| Подкатегория: | Фюзеляжи |
| Тип: | Высокоскоростной предохранитель |
| Единичная масса: | 3.231997 унций |
Эта кривая дает пиковое арковое напряжение, UL, которое может появляться через предохранитель во время его работы, как
функция применяемого рабочего напряжения, Eg, (rms) при коэффициенте мощности 15%.
Потеря энергии
ВаттыПотеря при номинальном токе приведена в электрических характеристиках.
Потери мощности при потоках нагрузки ниже номинального тока.
функция тока нагрузки RMS, Ib, в % от номинального тока.
Особенности и преимущества
• Отличная работапроизводительность
• Низкое арковое напряжение и низкий энергетический пропуск (I2 t)
• Низкая потеря Вт
• Высокая способность ездить на велосипеде
Типичные применения
• Общий автобус постоянного тока
• Динамические приводы
• Преобразователи мощности/ректификаторы
• Стартеры с пониженным напряжением
Описание
Высокоскоростные предохранители.
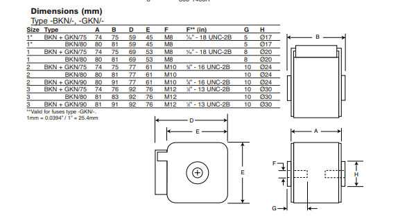
Размеры
См. иллюстрации размеров.
Рейтинги:
Вольт: 1250Вац (МЭК)
¥ 1300Вac (UL)
Амперы: 50-1400 А
IR:100 кА RMS Sym.
Информация Агентства:
CE, спроектирован и протестирован в соответствии с IEC 60269: Часть 4, UL признан.
Bussmann для признания UL/принятия компонентов CSA.
Общий клиринг I2t
Общий клиринг I2 t при номинальном напряжении и коэффициенте мощности 15% указан в электрических характеристиках.
Для других напряжений расчет I 2 t определяется умножением на коррекционный коэффициент K, данный как функция
Применяемое рабочее напряжение, Eg, (rms).


Эта кривая дает пиковое арковое напряжение, UL, которое может появляться через предохранитель во время его работы, как
функция применяемого рабочего напряжения, Eg, (rms) при коэффициенте мощности 15%.
Потеря энергии
ВаттыПотеря при номинальном токе приведена в электрических характеристиках.
Потери мощности при потоках нагрузки ниже номинального тока.
функция тока нагрузки RMS, Ib, в % от номинального тока.
Особенности и преимущества
• Отличная работапроизводительность
• Низкое арковое напряжение и низкий энергетический пропуск (I2 t)
• Низкая потеря Вт
• Высокая способность ездить на велосипеде
Типичные применения
• Общий автобус постоянного тока
• Динамические приводы
• Преобразователи мощности/ректификаторы
• Стартеры с пониженным напряжением
Описание
Высокоскоростные предохранители.
Размеры
См. иллюстрации размеров.
Рейтинги:
Вольт: 1250Вац (МЭК)
¥ 1300Вac (UL)
Амперы: 50-1400 А
IR:100 кА RMS Sym.
Информация Агентства:
CE, спроектирован и протестирован в соответствии с IEC 60269: Часть 4, UL признан.
Bussmann для признания UL/принятия компонентов CSA.
Общий клиринг I2t
Общий клиринг I2 t при номинальном напряжении и коэффициенте мощности 15% указан в электрических характеристиках.
Для других напряжений расчет I 2 t определяется умножением на коррекционный коэффициент K, данный как функция
Применяемое рабочее напряжение, Eg, (rms).


