
EPCS128SI16N FPGA - Конфигурационная память IC - Ser. Config Mem Flash 128Mb 40 MHz
| Информационные данные | |
| Категория продукции: | FPGA - конфигурационная память |
| RoHS: | Подробная информация |
| Вспышка | |
| 128 Мбит | |
| 40 МГц | |
| 3.3 В | |
| - 40 градусов. | |
| + 85 C | |
| SMD/SMT | |
| SOIC-16 | |
| Трубка | |
| Марка: | Информационные данные |
| Чувствительны к влаге: | Да, да. |
| Рабочий ток питания: | 100 ед. |
| Тип продукции: | FPGA - конфигурационная память |
| Серия: | EPCS128 |
| Подкатегория: | Программируемые логические интерфейсы |
| Напряжение питания - максимум: | 3.6 В |
| Напряжение питания - Min: | 2.7 В |
| Торговое наименование: | Энпирион |
| Часть # Алисы: | 974776 |
| Единичная масса: | 0.470414 унций |
Описание
Чтобы настроить систему с помощью устройства на базе SRAM, каждый раз, когда вы включаете устройство, вы должны загружать конфигурацию
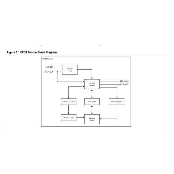
Устройство EPCS - это устройство флэш-памяти, которое может хранить данные конфигурации, которые вы используете для конфигурации FPGA.
Вы можете использовать устройство EPCS на всех FPGA, которые поддерживают схему конфигурации AS x1.
Для 16-контактного SOIC, вы можете перейти вертикально с устройства EPCS1 на устройство EPCS4 или EPCS16.
С помощью нового пакета декомпрессии данных можно вертикально переходить с устройства EPCS64 на устройство EPCS128.
Функция поддерживается, вы можете определить, используя какое устройство EPCS для хранения конфигурационных данных для настройки вашей FPGA
Пример 1 показывает, как вы можете рассчитать соотношение сжатия, чтобы определить, какое устройство EPCS подходит для FPGA.
Особенности
Устройства EPCS имеют следующие характеристики:
■ Поддерживает схему активной последовательной (AS) конфигурации x1
■ Простой в использовании интерфейс с четырьмя булавами
■ Низкая стоимость, небольшое количество пинов и неплавная память
■ Низкий ток при настройке и почти нулевой ток в режиме ожидания
■ Работа от 2,7 до 3,6 В
■ Устройства EPCS1, EPCS4 и EPCS16 доступны в комплекте с 8-контактными микросхемами (SOIC)
■ Устройства EPCS64 и EPCS128 доступны в 16-контактном пакете SOIC
■ позволяет процессору Nios\ получить доступ к неиспользуемой флэш-памяти через интерфейс памяти AS
■ Перепрограммируемая память с более чем 100 000 циклов стирания или программы
■ Написать поддержку защиты секторов памяти с использованием битов регистра состояния
■ поддержка программного обеспечения в системе (ISP) с помощью драйвера SRunner
■ Поддержка интернет-провайдера с кабелями загрузки USB-Blaster, EthernetBlaster или ByteBlaster II
■ Дополнительная поддержка программирования с APU и программным оборудованием от BP Microsystems, System General,
и других поставщиков
■ По умолчанию массив памяти стирается, а биты устанавливаются на 1

EPCS128SI16N - устройство серийной конфигурации (EPCS), выпускаемое компанией Intel.
что позволяет процессору Nios® получить доступ к неиспользуемой флэш-памяти через интерфейс памяти AS.
EPCS128SI16N обычно используется для конфигурации FPGA после включенияПродукция.
Основные характеристики EPCS128SI16N:
Спецификации EPCS128SI16N:
Применение EPCS128SI16N:





Лэни
Телефон: +86-13420902155
Электронная почта: sales@wisdtech.com.cn
Wechat:laneyatao66
WhatsApp: +8613420902155
Skype: sales@wisdtech.com.cn