Крюки Гай использованы как соединяясь аксессуары к полякам. Они соединяют оттяжки антенны с надземными поляками передачи. Они также использованы
для соединяясь оттяжек антенны к изоляторам напряжения парня.
Данный критические роли которые они играют, мы не можем отказать факт что крюки парня должны быть сильны достаточно предложить стабилизированное соединение. Это объясняет почему прочность на растяжение крюка парня не должна быть более менее чем 1000Ibs. Наши крюки парня имеют расклассифицированную прочность на растяжение до 21 000 Ibs.
Крюки парня отличают эргономическими дизайнами для легкие зажимать и соединения. Похожий на ух дизайн крюка парня создает стабилизированное соединение с петлей парня или любым другим зажимая аксессуаром что вы хотел были соединить кабель с. Пазы ровны и отполированы защитить кабельные жгуты от разных видов физического ухудшения.
За исключением физической силы, крюки парня хорошо защищены от влияний поверхностного повреждения. Это возможно потому что они гальванизированное горяч-погружение. Они не будут повлияны на корозией, ржавчиной, или любой другой формой химического повреждения.
Особенности
· Идеальный дизайн для закреплять оттяжки антенны
· Ровные пазы для защищать кабельные жгуты
· Сделанный из брошенной оцинкованной стали трубопровода
· Сильный и устойчивый выдержать
· Соответствующий и для плоских и круглых поверхностей

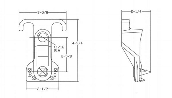
| Общая длина (ВНУТРИ.) | B | Отверстие Mtg | D | E | Str 45°Ultimate. (Lbs.) | Вес 100 (lbs) |
|
| 3-3/4 | 2-7/8 | 1-1/4 | 11/16 | 2-3/4 | 1-7/8 | 13550 | 95 |
| 4 | 3-3/8 | 1-1/4 | 13/16 | 2-3/4 | 2-5/16 | 20050 | 96 |
| 4-3/16 | 3-1/8 | 1-3/8 | 13/16 | 2-3/4 | 2-5/16 | 20050 | 108 |
| 4-3/8 | 3-1/8 | 1-1/4 | 11/16 | 2-1/8 | 2-1/2 | 13550 | 102 |
| 4-3/4 | 3-3/8 | 1-3/16 | 13/16 | 2-1/2 | 2-3/4 | 20050 | 128 |
| 5 | 3-1/2 | 1-1/4 | 13/16 | 2-1/2 | 2-7/8 | 20050 | 150 |

Упаковка & доставка

