Доступный с любым плоским устанавливая основанием (серией DET) или изогнутый устанавливающ основание (серии DETR)
Использованный для интерфейса высокопрочных, поляка соединения к clevises, clevises кольца, изоляторов, сережек и других приложений тупика.
Для пользы на материале поляков древесины, стали, бетона или стеклоткани: Стальной - горячее гальванизированное погружение

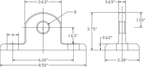
| A (внутри) | B (внутри) | Окончательная прочность | Weight/100 (lbs) |
| 15/16 | 1-1/4 | 60000 | 640 |
| 1-1/16 | 1-1/8 | 60000 | 640 |

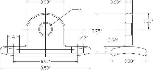
| A (внутри) | B (внутри) | Окончательная прочность | Weight/100 (lbs) |
| 13/16 | 15/16 | 60000 | 690 |
| 1-1/16 | 1-1/8 | 60000 | 680 |
| 1-3/16 | 1-1/8 | 60000 |
670 |


Упаковка & доставка

