Тип одиночное шарнирное соединение JIS глаза сделан высококачественной сталью углерода с покрытым цинком на поверхности. Небольшой одиночный глаз сделать его более твердым чем другие шарнирные соединения. Так, если шарнирное соединение использовано в месте с более фиксированной структурой, то находиться на безопасной стороне, recommemded что тип одиночное шарнирное соединение JIS глаза должен быть выбран.
Детали продукта:
1. Деталь: Тип одиночное шарнирное соединение JIS глаза
2. Тип: Тип JIS
3. Материал: сталь углерода
4. Технология: выкованное падение
5. Поверхность: горячее гальванизированное погружение, покрытый цинк
6. ВОЛЯ: 1T-5T
7. Разрывная нагрузка: 4 раза допустимой загрузки
8. Использование: подниматься, оснащая
9. Размер: 13mm-22mm
спецификации 10.Special и метки можно сделать согласно требованию к клиентов
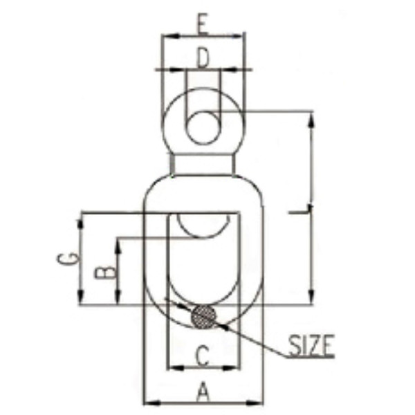
Спецификация:
| Размер | Вес | ВОЛЯ | Размер | ||||||
| mm | kg | тонна | Mm | B mm | C mm | D mm | E mm | G mm | L mm |
| 13 | 0,5 | 1 | 60 | 35 | 36 | 17 | 41 | 48 | 100,5 |
| 16 | 0,94 | 1,5 | 72 | 43 | 40 | 23 | 55 | 60 | 128,5 |
| 19 | 1,46 | 2,5 | 83 | 45 | 45 | 26 | 64 | 66 | 146 |
| 22 | 2,21 | 5 | 93 | 53 | 49 | 29 | 73 | 75 |
170 |



Упаковка & доставка

