Горячее погружение гальванизировало углерод шарнирное соединение конца стальной челюсти сделано высококачественное стальным углерода с горячим погружением гальванизируя на поверхности. Структура шарнирного соединения делает ее может предотвратить узел веревочек цепи или провода. Для того чтобы соотвествовать увеличивая клиентов, мы имеем изготовить разнообразие шарнирные соединения. Они могут служить во многих случаях. И особенные спецификацию и метки можно сделать согласно требованию к клиентов.
Детали продукта:
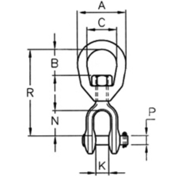
1. Деталь: Шарнирное соединение конца стальной челюсти углерода горячего погружения galvenized
2. Тип: Тип США
3. Материал: сталь углерода, нержавеющая сталь
4. Технология: выкованное падение
5. Поверхность: горячее погружение гальванизировало, electro гальванизировало, покрытый цинк
6. ВОЛЯ: 850lbs-42500lbs
7. Разрывная нагрузка: 4 раза допустимой загрузки
8. Использование: подниматься, оснащая
9. Размер: 1/4" - 1 1/2»
спецификации 10.Special и метки можно сделать согласно требованию к клиентов
Спецификация:
| Размер | W.L.L. | B | C | K | N | P | R | Вес | |
| в | lbs | в | в | в | в | в | в | в | lbs |
| 1/4' | 850 | 1,25 | 0,69 | 0,75 | 0,47 | 0,875 | 0,25 | 2,625 | 0,25 |
| 5/16' | 1250 | 1,625 | 0,81 | 1 | 0,5 | 0,875 | 0,31 | 2,94 | 0,37 |
| 3/8' | 2250 | 2 | 0,94 | 1,25 | 0,625 | 1,06 | 0,38 | 3,625 | 0,7 |
| 1/2' | 3600 | 2,5 | 1,31 | 1,5 | 0,75 | 1,31 | 0,5 | 4,5 | 1,43 |
| 5/8' | 5200 | 3 | 1,56 | 1,75 | 0,94 | 1,5 | 0,625 | 5,31 | 2,48 |
| 3/4' | 7200 | 3,5 | 1,75 | 2 | 1,13 | 1,75 | 0,75 | 6,06 | 4,14 |
| 7/8' | 10000 | 4 | 2,06 | 2,25 | 1,19 | 2,06 | 0,875 | 7 | 4,87 |
| 1' | 12500 | 4,5 | 2,31 | 2,5 | 1,75 | 2,81 | 1,13 | 8,56 | 10,73 |
| 1 1/8' | 15200 | 5 | 2,36 | 2,75 | 1,75 | 2,81 | 1,13 | 8,94 | 12,48 |
| 1 1/4' | 18000 | 5,625 | 2,69 | 3,13 | 2,06 | 2,81 | 1,36 | 9,44 | 16,28 |
| 1 1/2' | 45200 | 7 | 4,19 | 4 | 2,875 | 4,44 | 2,25 | 14,75 | 49 |



Упаковка & доставка

