Цепное DIN 5685 вид сваренной, круглой стальной цепи с длинными или длинной с коротк связями которые ни откалибрированы ни испытаны. Цепной шум 5685 сделан к немецкому стандарту. Материал цепи в линии с DIN 17151. Цепь не соответствующая для поднимаясь применений, ни подвергаемый к неподвижным нагрузкам. 2 типа цепного шума 5685, a (краткости) и c (длинного). Мы можем предложить уместные аксессуары цепи.
Финиши цепного шума 5685 цвета само, черный покрашенный, яркий покрашенный цинк, и горячее погружение гальванизировало. Цепи можно поставить в мотках, коробках, сумках и на вьюрках.
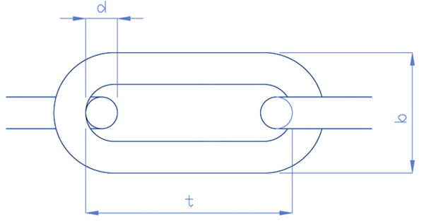
Чертеж связи c цепной формы DIN 5685 длинной
Спецификации связи c цепной формы DIN 5685 длинной
|
Размер d mm |
Внутри длины t mm |
Внешняя ширина b mm |
Вес в 100m kg |
Испытательная нагрузка N |
Разрывная нагрузка N |
| 2,0 | 22,0 | 8,0 | 6,0 | 500 | 1250 |
| 2,5 | 24,0 | 10,0 | 10,0 | 750 | 2000 |
| 3,0 | 26,0 | 12,0 | 15,0 | 1120 | 2800 |
| 3,5 | 28,0 | 14,0 | 20,0 | 1500 | 3850 |
| 4,0 | 32,0 | 16,0 | 27,0 | 2000 | 5000 |
| 4,5 | 34,0 | 18,0 | 35,0 | 2500 | 6300 |
| 5,0 | 35,0 | 20,0 | 43,0 | 3150 | 7750 |
| 5,5 | 38,5 | 22,0 | 52,0 | 3800 | 9500 |
| 6,0 | 42,0 | 24,0 | 63,0 | 4500 | 11500 |
| 6,5 | 45,5 | 26,0 | 74,0 | 5400 | 13500 |
| 7,0 | 49,0 | 28,0 | 86,0 | 6000 | 15000 |
| 8,0 | 52,0 | 32,0 | 110,0 | 8000 | 20000 |
| 8,5 | 56,0 | 34,0 | 125,0 | 9000 | 22500 |
| 9,0 | 59,0 | 36,0 | 141,0 | 10000 | 25000 |
| 10,0 | 65,0 | 40,0 | 175,0 | 12500 | 31000 |
| 11,0 | 72,0 | 44,0 | 211,0 | 15000 | 38000 |
| 12,0 | 78,0 | 48,0 | 255,0 | 18000 | 45000 |
| 13,0 | 82,0 | 52,0 | 295,0 | 21200 | 53000 |
• Он должен быть замечен что закавыченные диаграммы нагрузки максимума для наведения только. Эти цепи не испытаны.


Упаковка & доставка

