

Прямоугольное 8P8C RJ45 модульный Джек свисает PCB для применения DSL/ADSL /xDSL
Быстрые детали:
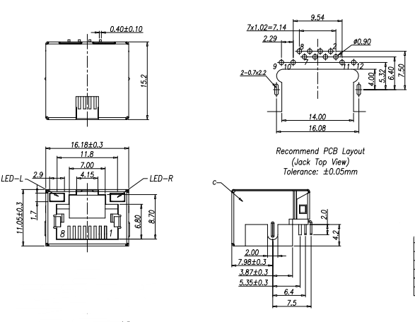
Параметр продукта:
| Номер детали: | MJ88B-BX11-RVLX4 | ||||||
| Совокупность продуктов: | Возместите/свисните PCB RJ45 Джек | ||||||
| Обзор: | Возместите/свисните PCB RJ45 Джек 1x1 8P8C модульный Джек | ||||||
| Описание: | 8 соединитель низкопрофильного RJ45 портов ядра 1x1, защищаемое, черное снабжение жилищем | ||||||
| Прямоугольный/бортовой вход, работая ряд temprature: -40℃-70℃ | |||||||
| Генерал | |||||||
| Серия: | Возместите/свисните PCB RJ45 Джек | ||||||
| Количества портов: | 1x1 | ||||||
| Ориентация: | Прямоугольный (бортовой вход) | ||||||
| Тип Pin: | Припой THT | ||||||
| Положения нагрузили контакты | 8P8C | ||||||
| Защелка: | Плата вверх | ||||||
| СИД: | Да | ||||||
| Защищенный: | УТВЕРДИТЕЛЬНЫЙ ОТВЕТ | ||||||
| Высота Джек: | 9.75mm | ||||||
| Магнитный: | Никакой | ||||||
| Категория представления: | Кот 5 | ||||||
| Сила над локальными сетями (PoE): | Не-PoE | ||||||
| Физический | |||||||
| Цвет-смола: | Черный | ||||||
| Стойкость (сопрягать задействует максимальное): | 750 | ||||||
| Материал | Металл: | Бронза светомассы | |||||
| Смола: | Полимер жидкого кристалла | ||||||
| Покрывать сопрягать: | Золото над никелем | ||||||
| Покрывать прекращение: | Золото внезапное | ||||||
| Покрывать минимальный сопрягать: | 3u»/6u»/15u»/30u» опционное | ||||||
| Чистый вес: | TBA | ||||||
| PCB: | FR4 | ||||||
| Локатор PCB: | Да | ||||||
| Удерживание PCB: | Никакие | ||||||
| Порекомендованная толщина PCB | 1.6mm | ||||||
| Тип упаковки: | Поднос | ||||||
| Диапазон температур: | -40℃-70℃ | ||||||
| RoHS уступчивое | ДА, RoHS И свободное от Галоид | ||||||
| Электрический | |||||||
| Настоящая оценка: | 1.5AMPS | ||||||
| Оценка напряжения тока: | AC 125V | ||||||
| Сопротивление изоляции: | 500MΩ мини | ||||||
| Выдержите напряжение тока: | 1000V RMS 60Hz | ||||||
| Контактное сопротивление: | 50mΩ Макс | ||||||
| Зазмеление к PCB: | УТВЕРДИТЕЛЬНЫЙ ОТВЕТ | ||||||
| Зазмеление, который нужно обшить панелями: | УТВЕРДИТЕЛЬНЫЙ ОТВЕТ | ||||||

Добро пожаловать ваши заказы OEM/ODM, эта модель смогите быть подгоняно для изменения расквартировывать цвет, плакировку золота и индикатор СИД, также мы можем помочь к печати лазера вашему логотипу на ем.
Наше преимущество:
многолетний опыт 1 > 10
Больше многолетний опыт чем 10 на разъем-розетке RJ45 превращаясь, производя и выходя на рынок; и наши продукты проданы до больше чем 800 клиентов в 63 странах; что больше, HELING обеспечило над 1000 моделями разъем-розеток RJ45 для наших клиентов.
Amphenol, Huawei, LG, Sumsung, Foxconn, Skyworth, Xiaomi наши клиенты
2 > качественная гарантия
Неукоснительная продукция и качество проверяют в каждом разделе, обеспечивая 6 лет гарантии для всех наших разъем-розеток RJ45.
3 > ответили в пределах 24-часового
Все дознания будут отвечены в течение 24 часов в рабочем дне.
вопросы и ответы
1, сколько времени могу я рассчитывать получить образец и массовый заказ.
Re: Для заказа образца, срок поставки в 2 неделях; и для массового заказа, срок поставки в 3-4 неделях. Он зависит от вашего количества и нашего инвентаря.
2, можете вы напечатать наш подгонянный логотип?
Re: Да, конечно. Мы имеем профессиональную проектную группу и полные производственные линии. Как раз снабдите требование к деталей мы, мы будем счастливы подгонять ваш логотип и напечатать его заказанн ваш.
3, что ваши условия оплаты?
Re: Депозит T/T 30% с заказом и баланс оплаченный перед пересылкой; PayPal В ПОРЯДКЕ, и l /C приемлем когда полная сумма больше чем US$10,000.
4, как могу я приказать?
Re:
1, выбирает разъем-розетку RJ45 вам и отправляет нами дознание, мы ответим в 24 часах.
2, подтверждают чертежи и заказ, мы отправим вами proforma фактуру для вас для того чтобы сделать оплату.
3, как только мы подтверждаем вашу оплату, ваш заказ будут начаты и законченный с 3-4 неделями зависит от вашего количества.
4, грузят ваши товары DHL/FedEx/UPS, как ваша просьба.
5, клиент следования состояние использования регулярно и обслуживаний после продажи
5, если вопросы качества случились, то чего должен я сделать?
Re: Как раз отправьте нас по электронной почте или свяжитесь мы о ваших проблемах жалоб, мы будем препровождать его к нашим родственным отделам и будем приходить назад к вам с удовлетворенным решением в течение 24 часов.
Изображение продукта:
