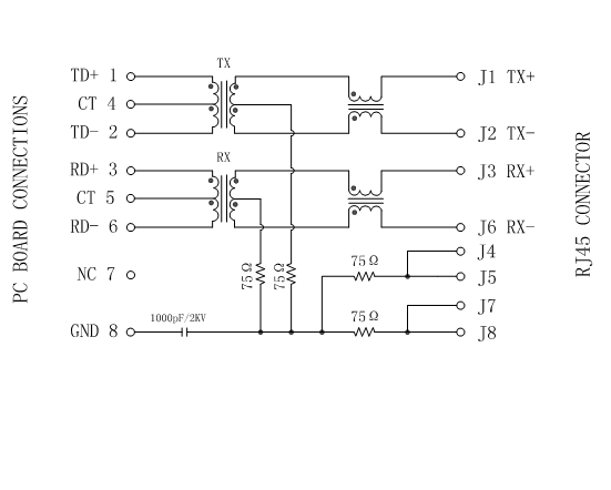
Держатель Рдж45 Джек 100% заменяющий РДЖ-180А03А вертикальный 
 
 
 
1.Синле соединитель порта РДЖ45 отсутствие СИД
 
2.Вертикал РДЖ45 Джек совместимое к РДЖ-180А03А 
 
3.Фемале РДЖ45 Джек, металл РДЖ45 Джек
 
4.Аппликатион: ЭПИЦЕНТР ДЕЯТЕЛЬНОСТИ, РС карта, переключатель, маршрутизатор 
 вертикаль РДЖ45 Джек 100М низкопробная, одиночный держатель ДЖЕК ПКБ порта
вертикаль РДЖ45 Джек 100М низкопробная, одиночный держатель ДЖЕК ПКБ порта    
Применения:
 
 
 
Использованный для коммуникационных оборудований сети и как ЭПИЦЕНТР ДЕЯТЕЛЬНОСТИ, РС карта, переключатель, маршрутизатор, ПК Майнбоард, СДХ, ПДХ, телефон ИП, модем ксДСЛ
 
Конкурентное преимущество:
 
 
 
16 лет опыта продукции,
 
штат 2600,
 
тест 100%
 
Гибкий срок поставки